您当前位置:首页 » 建筑安全 » 安全表格
建筑安全生产隐患排查治理工作检查表 11P
  • 资料等级:
  • 授权方式:资料共享
  • 发布时间:2022-06-02 14:27:25
  • 资料类型:RAR
  • 资料大小:26.9 KB
  • 资料分类:建筑安全
  • 运行环境:WinXp,Win2003,WinVista,Win ;
  • 解压密码:civilcn.com
建筑安全生产隐患排查治理工作检查表 11P
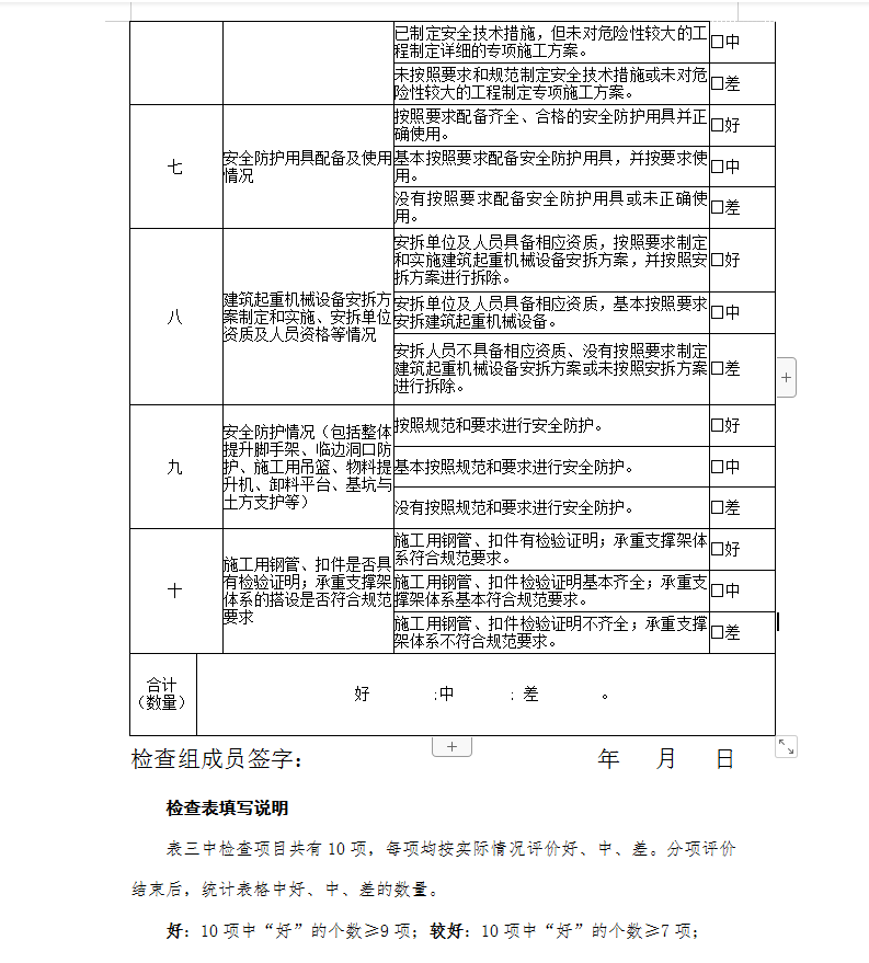
建筑安全生产隐患排查治理工作检查表包括:工程建设各方责任主体和有关机构质量安全行为检查表、工程建设强制性标准执行情况检查表。
软件截图
  • 建筑安全生产,隐患排查治理,工作检查表
  • 建筑安全生产,隐患排查治理,工作检查表
  • 建筑安全生产,隐患排查治理,工作检查表