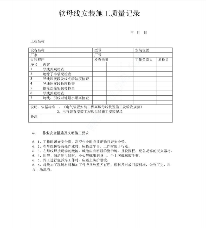
检查软母线不得有打结、松股、断股、其它明显机械损伤或严重腐蚀等缺陷。导线及线夹接触面应清除氧化膜;并用汽油清洗,导电接触面涂以电力复合脂。采用液压压接时,应先进行试压,试件合格后方可进行施工压接。压接导线时,应选用被压管匹配的钢模,相邻两模间重叠不得小于5mm。压接后六角形对边尺寸应为0.866D,当任有一-对边尺寸超过0.866D+0. 2mm时应更换钢模(D为被压管外径)。




RAR