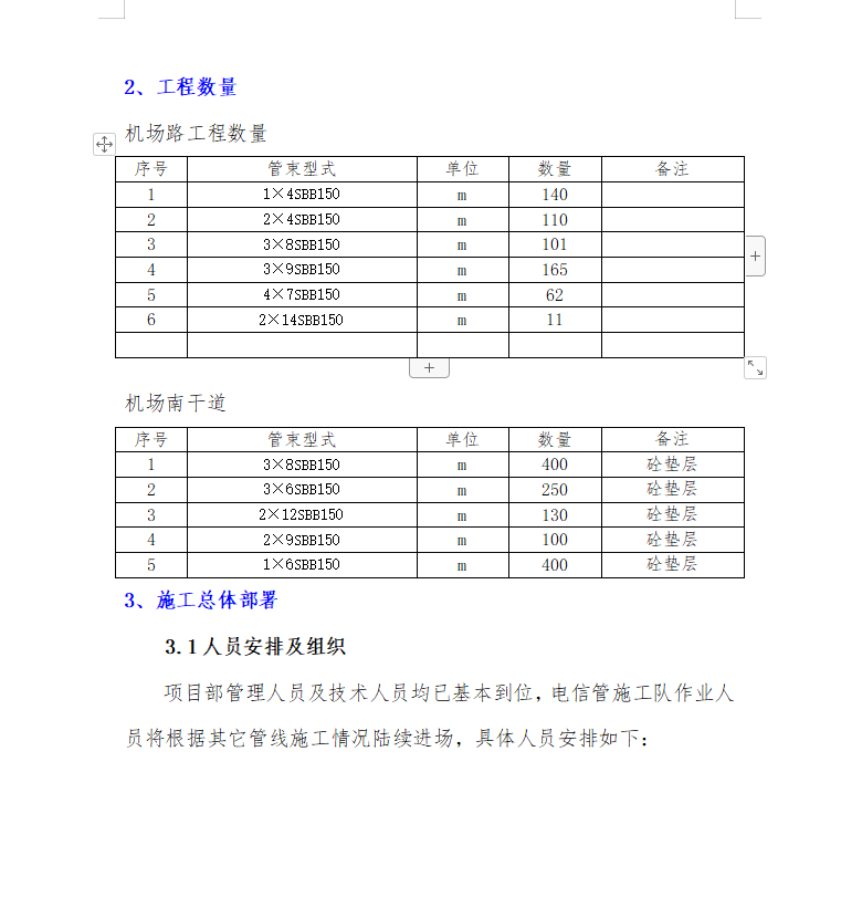
机场路景观改造及机场南干道改扩建工程中,机场路设计全长960.471米,电力管线主要在北侧人行道或绿化带中设1.4×1.4和1.2×1.2覆土隐蔽式电缆沟.1.4×1.4的电缆沟与规划中的110kV机场二站出线电缆沟顺接;南干道设计全长3.35KM,电力管线主要在西侧人行道中设1.2×1.2隐蔽式电缆沟.电缆沟与相邻道路顺接。
(1)砼使用商品砼,砼供应商选择经过质量认证的众力建商品砼有限公司,供应商砼经过试验合格。
(2)管材为深圳市工大复合材料有限公司,管材经过相应的相关试验及抽检合格。
以上各项材料自检合格后,经监理单位批准同意后,方能用于本工程施工.







