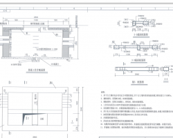
1、在10KVXX环保园已设计环网柜开关电缆(YJV22-10KV-3*300)至XX站307开关之间XX已建井1处开断,一端电缆接新设智能环网柜K1-1S开关,另一端接新设智能环网柜K1-3S开关,敷设1根(YJV22-10KV-3*300)电缆长58米。制作φ3*300电缆中间头1套。新设两进两出K1智能环网柜1台,信通工程同步实施。
2、在10KVXX环保园已设计环网柜开关电缆(YJV22-10KV-3*300)至XX环保园已设计环网柜开关之间XX已建井1处开断,一端电缆接新设智能环网柜K1-1S开关,另一端接新设智能环网柜K1-3S开关,敷设1根(YJV22-10KV-3*300)电缆长58米。制作φ3*300电缆中间头1套。新设两进两出K1智能环网柜1台,信通工程同步实施。
3、从新设智能环网柜K1-5S开关~J1井~沿地下室电缆桥架~用户配电间(1600KVA)新敷设一根电缆(YJV22一10KV-3*70),电缆长200米。
4、从新设智能环网柜K2-5S开关~J1井~沿地下室电缆桥架~用户配电间(1600KVA) 新敷设一根电缆(YJV22一10KV-3*70),电缆长200米。
供电情况:
1.10KV双电源供电,主供电源由110KVXX变302间隔10KVXX经新设K1智能环网柜电缆供电,新设两进两出智能环网柜1台,信通工程同步实施。
备供电源由110KVXX变306间隔10KVXX经新设K2智能环网柜电缆供电,新设两进两出智能环网柜1台,信通工程同步实施。
2.本工程为新上用户工程:变压器总容量1600KVA(800KVA*2),正式用电。
某业务用房及停车场配电工程土建、线路施工图纸,包括:10kV线路平面接线图、电气一次接线图、埋管断面图、普通电缆井、智能环网柜基础图






