您当前位置:首页 » 电气工程 » 电气图纸
630KVA箱式变电站平面图纸
  • 资料等级:
  • 授权方式:资料共享
  • 发布时间:2021-06-08 17:34:21
  • 资料类型:RAR
  • 资料大小:866 KB
  • 资料分类:电气工程
  • 运行环境:WinXp,Win2003,WinVista,Win ;
  • 解压密码:civilcn.com
630KVA箱式变电站平面图纸
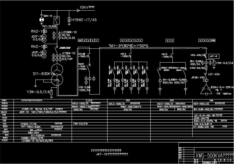
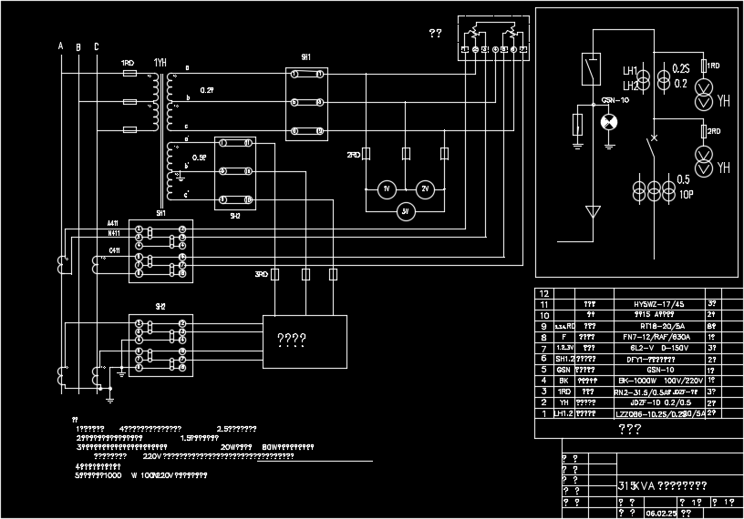
630KVA箱式变电站平面图纸包括:箱变平面布置图、XWG-500KVA箱变一次图、箱变计量柜原理图、风机和照明原理图、PT回路原理图、变压器柜原理图、变压器柜接线图、电容补偿柜原理图、2#出线柜电器原理图、1#出线柜电器原理图、低压总开关室电气原理图。




软件截图
  • 630KVA箱式变电站平面图纸
  • 630KVA箱式变电站平面图纸
  • 630KVA箱式变电站平面图纸
推荐下载
评论网友评论仅供网友表达个人看法,并不表明土木工程网同意其观点或证实其描述!
验证码: 验证码