Äúµ±Ç°Î»Ö㺠Ê×Ò³» µçÆø¹¤³Ì» µçÆøÍ¼Ö½
35kv±äµçÕ¾À©½¨¹¤³ÌÊ©¹¤Í¼Ö½
  • ×ÊÁϵȼ¶£º
  • ÊÚȨ·½Ê½£º×ÊÁϹ²Ïí
  • ·¢²¼Ê±¼ä£º2021-07-05 14:29:08
  • ×ÊÁÏÀàÐÍ£ºRAR
  • ×ÊÁÏ´óС£º2.78 MB
  • ×ÊÁÏ·ÖÀࣺµçÆø¹¤³Ì
  • ÔËÐл·¾³£ºWinXp,Win2003,WinVista,Win ;
  • ½âѹÃÜÂ룺civilcn.com
35kv±äµçÕ¾À©½¨¹¤³ÌÊ©¹¤Í¼Ö½
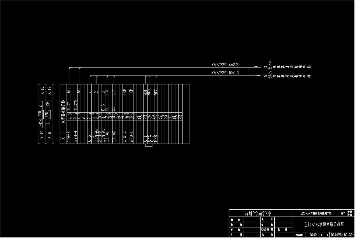
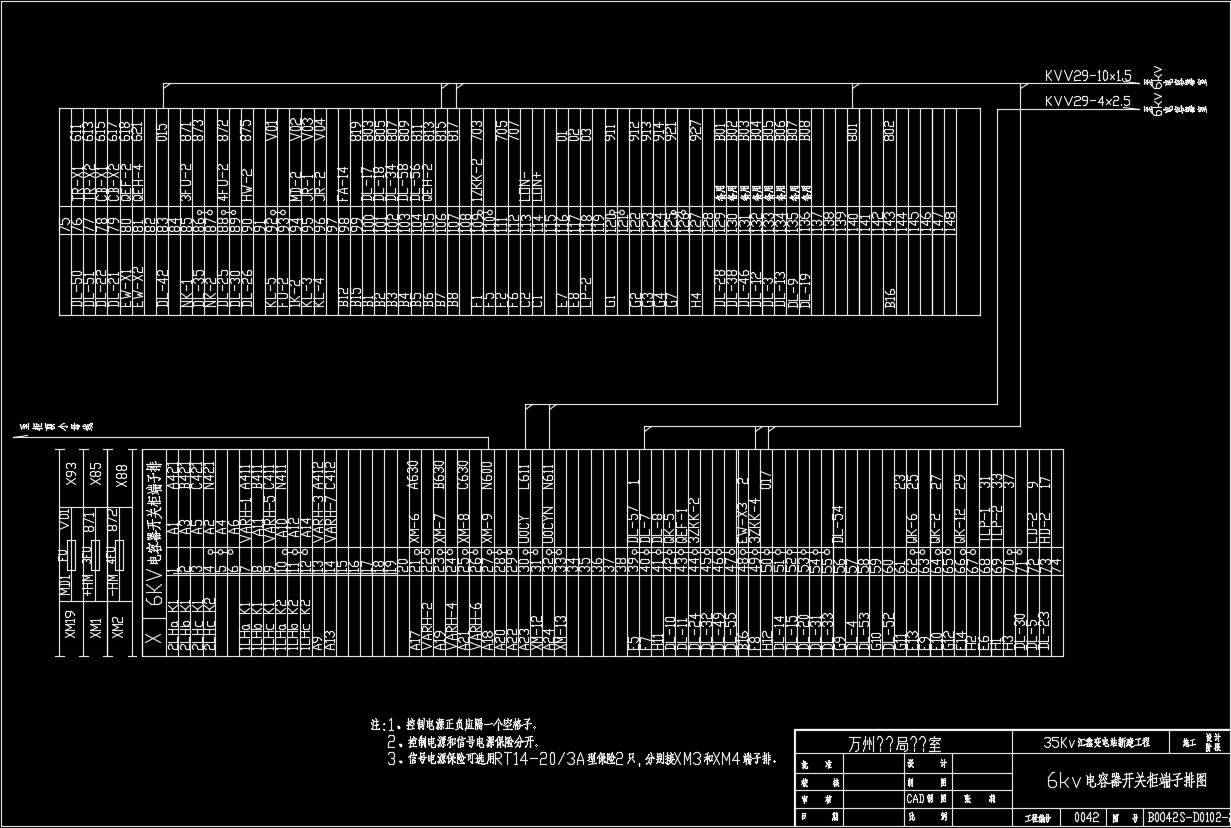
35kv±äµçÕ¾À©½¨¹¤³ÌÊ©¹¤Í¼Ö½°üÀ¨£º6kvµçÈÝÆ÷¿ª¹Ø¹ñ¶Ë×ÓÅÅͼ¡¢6kvµçÈÝÆ÷¿ª¹Ø¿ØÖÆÐźŻØÂ·Ô­Àí½ÓÏßͼ¡¢6kvµçÈÝÆ÷ÊÒµçÆø¶þ´ÎÔ­Àí½ÓÏßͼ¡¢6kvµçÈÝÆ÷ÊÒ¶Ë×ÓÅÅͼ¡¢6kv¸ôÀ뿪¹Ø¹ñµçÆø¶þ´ÎÔ­Àí½ÓÏßͼ¡¢6kvÀ¡Ïß¿ª¹Ø¹ñ¶Ë×ÓÅÅͼ¡¢6kvÀ¡Ïß¿ª¹Ø¿ØÖÆÐźŻØÂ·Ô­Àí½ÓÏßͼ¡¢6kvĸÏßPT¹ñ¶Ë×ÓÅÅͼµÈ¡£
Èí¼þ½ØÍ¼
  • 35kv±äµçÕ¾À©½¨¹¤³ÌÊ©¹¤Í¼Ö½
  • 35kv±äµçÕ¾À©½¨¹¤³ÌÊ©¹¤Í¼Ö½
  • 35kv±äµçÕ¾À©½¨¹¤³ÌÊ©¹¤Í¼Ö½