您当前位置:首页 » 电气工程 » 电气图纸
2000KVA变电所高低压全套电气施工图
  • 资料等级:
  • 授权方式:资料共享
  • 发布时间:2021-07-05 16:21:30
  • 资料类型:RAR
  • 资料大小:1.00 MB
  • 资料分类:电气工程
  • 运行环境:WinXp,Win2003,WinVista,Win ;
  • 解压密码:civilcn.com
2000KVA变电所高低压全套电气施工图
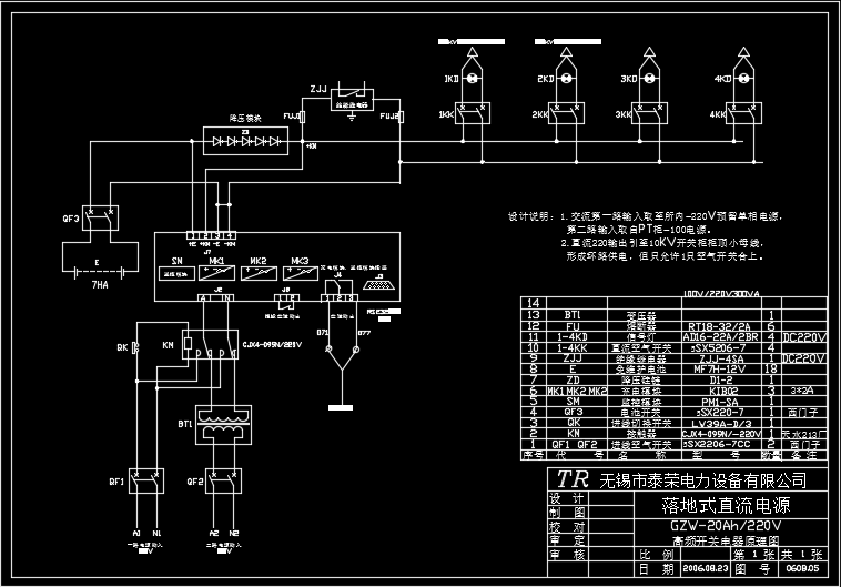
2000KVA变电所高低压全套电气施工图包括:10KV面板布置图、10KV主变开关柜二次接线图、10KV进线开关二次接线图、10KV计量柜二次接线图、CT19操作机构二次接线图、母线电压互感器二次接线图、GZW-20Ah/220V高频开关电器原理图、总开关柜接线图、主变关柜接线图、接地装置布置图等。







软件截图
  • 2000KVA变电所高低压全套电气施工图
  • 2000KVA变电所高低压全套电气施工图
  • 2000KVA变电所高低压全套电气施工图