Äúµ±Ç°Î»Ö㺠Ê×Ò³» µçÆø¹¤³Ì» µçÆø¹¤ÒÕ¹¤·¨
µçÌݾ®µÀÒ»Ì廯·À»¤ÏµÍ³Ê©¹¤¹¤·¨ 41P
  • ×ÊÁϵȼ¶£º
  • ÊÚȨ·½Ê½£º×ÊÁϹ²Ïí
  • ·¢²¼Ê±¼ä£º2022-10-27 16:09:21
  • ×ÊÁÏÀàÐÍ£ºRAR
  • ×ÊÁÏ´óС£º36.0 MB
  • ×ÊÁÏ·ÖÀࣺµçÆø¹¤³Ì
  • ÔËÐл·¾³£ºWinXp,Win2003,WinVista,Win ;
  • ½âѹÃÜÂ룺civilcn.com
µçÌݾ®µÀÒ»Ì廯·À»¤ÏµÍ³Ê©¹¤¹¤·¨ 41P
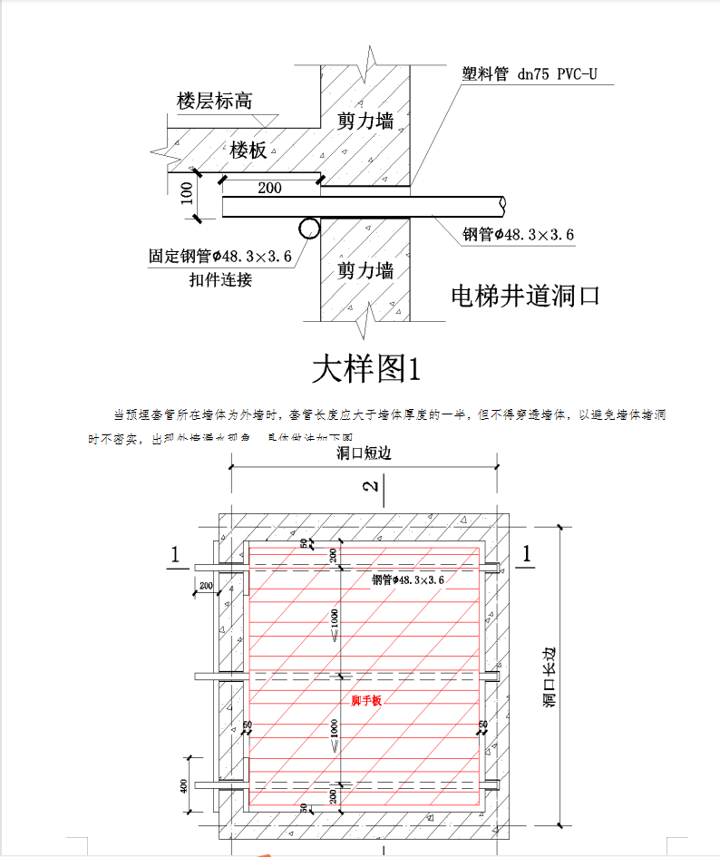
ÊÊÓÃÓÚÒ»°ãסլ¡¢°ì¹«Â¥µçÌݾ®µÀ¼°ÆäËûÀàËÆÂ¥²ãˮƽ¶´¿ÚµÄ·À»¤£¬ÆäËüÈçÉ̳¡¡¢Ò½Ôº¡¢»ú³¡µÈ´óÐͳ¡ËùµçÌݾ®µÀÓ¦ÁíÐнøÐÐÊÜÁ¦¼ÆËãÉèÖá£
Èí¼þ½ØÍ¼
  • µçÌݾ®µÀÒ»Ì廯·À»¤ÏµÍ³Ê©¹¤¹¤·¨
  • µçÌݾ®µÀÒ»Ì廯·À»¤ÏµÍ³Ê©¹¤¹¤·¨
  • µçÌݾ®µÀÒ»Ì廯·À»¤ÏµÍ³Ê©¹¤¹¤·¨