简介: 硅藻精土水处理工艺可将城市生活污水一次处理达到中水回用标准,本文介绍了硅藻精土水处理工艺和庆中生化工艺的原理和工程运用,欢迎指正!大理庆中环境工程有限公司是拥有“硅藻精土水处理工艺”发明专利技术的水处理专业公司,在运用和实践“硅藻精土水处理工艺”技术过程中有些体会,愿与同仁共享。
关键字:硅藻精土 工艺实践
如何在城市污水处理中,改变先做“二级生化处理”,再做“中水处理”的城市节水模式,建立一套将污水一次处理到“中水”的工艺技术,为社会节约宝贵的资金、土地资源,为创建生态城市,为保护我们的生存环境,大理白族王庆中先生在国家两院院士王希季先生的指导下,完成了“硅藻精土水处理工艺”,并发展到了“第六代”技术的水平,即完成了将城市污水一次性处理达到GB18918-2002一级A标的水平。以云南省大理市城市污水“登龙河工程”为例,将硅藻精土水处理工艺及“庆中生化工艺”介绍如下:
一、硅藻精土水处理工艺污染物的去除机理
(一) SS的去除
污水中的SS去除主要靠硅藻精土的吸附、絮凝、沉淀作用而去除。污水处理中悬浮物的浓度不仅仅只涉及到出水的SS指标,而且与出水的BOD5和CODcr等指标也有关,这是因为组成出水悬浮物主要是活性污泥絮体,所以控制污水处理厂出水的SS指标是最基本的,也是很重要的环节。为了尽量去除水中的悬浮物,需在工程中采用适当的措施,常用的传统生化法措施有选用适当的污泥负荷率以保持活性污泥的凝聚及沉降性能,采用较小的二次沉淀表面负荷、采用较低的出水堰负荷、充分利用活性污泥悬浮层的吸附网络作用等。通过综合比较,最好的方法是采用硅藻精土水处理剂,并结合高效水力循环澄清池,该方案可使废水中SS的去除率达到99%。
(二) BOD5的去除
污水中BOD5的去除主要是靠硅藻精土水处理剂的吸附与代谢作用去除,然后对吸附代谢物进行泥水分离来完成。在硅藻精土水处理剂与污水接触初期,会出现很高的BOD5去除率,这是由于污水中有机颗粒和胶体被吸附在硅藻精土水处理剂表面,从而被去除所致。但是这种吸附作用仅对污水中悬浮物和胶体起作用,对溶解性有机物不起作用。对溶解性有机物需硅藻精土的离子交换功能形成的代谢来完成,在有氧的条件下将污水中一部分有机物合成新的细胞,将另一部分有机物进行分解代谢以便获得细胞合成所需的能量,其最终产物是CO2和H2O等稳定物质。因此,可以使处理后污水中的残余BOD5浓度很低。出水水质低于10mg/L。
(三) CODcr的去除
污水中CODcr去除的原理与BOD5基本相同,但CODcr的去除率与落水村生活污水的组成有关。对于那些主要以生活污水及其成分与餐饮废水组成的综合污水,BOD5/CODcr比值往往接近0.5甚至大于0.5,出水中CODcr值可控制在较低的水平。而成分主要以工业废水为主的城市污水,其BOD5/CODcr比值较小,其污水的可生化性较差,此类污水,采用硅藻精土水处理剂,并使用高效水力循环澄清池污水处理设备,将充分发挥该工艺强于其他工艺的突出特点,处理后污水中残存的CODcr将获得最高的效果,去除率在90%以上,甚至在95%以上。大理登龙河工程进出水指标测试结果如下:
项目 | PH | 色度 | BOD5 | CODcr | SS | TN | TP | |
登龙河城市污水 | 进水水质 | 6.31 | 40 | 150.68 | 360 | 250 | 20.31 | 4.14 |
出水水质 | 6.87 | 4 | 10 | 33.7 | 10 | 8.78 | 0.02 | |
从上表可知,经处理后出水满足CODcr≤50mg/L,完全可以达到国家一级排放标准(GB18918-2002)。
(四) N的去除
氮是蛋白质不可缺少的组成部分,它广泛存在于城市污水中。废水中的氮一般以有机氮、氨氮、亚硝酸盐氮和硝酸盐氮等四种形式存在。生活污水中氮的主要存在形态是有机氮和氨氮。其中有机氮占生活污水含量的40-60%,氨氮占50-60%,亚硝酸盐氮和硝酸盐氮仅占0-5%。废水中生物脱氮在传统二级生物处理中的基本原理是:将有机氮转化为氨氮的基础上,通过硝化和反硝化菌的作用,将氨氮转化为亚硝态氮、硝态氮,再通过反硝化作用将硝态氮转化为氮气,从而达到从废水中脱氮的目的。
废水的生物脱氮处理过程,实际上是将氮在自然界中循环的基本原理应用于废水生物处理,并借助于不同微生物的共同协调作用以及合理的人为运行控制,而将生物去碳过程中转化而产生以及原废水中存在的氨氮转化为氮气而从废水中脱除的过程。在废水的生物脱氮处理过程中,首先在好氧条件下,通过好氧硝化菌的作用,将废水中的氨氮氧化为亚硝酸盐氮或硝酸盐氮;然后在缺氧条件下,利用反硝化菌(脱氮菌)将亚硝酸盐和硝酸盐还原为氮气从水中逸出。在硝化与反硝化过程中,影响其脱氮效率的因素是温度、溶解氧、PH值以及反硝化碳源。生物脱氮系统中,硝化细菌增长速度较缓慢,所以要有足够的污泥泥龄,也就是要求系统必须维持在较低的污泥负荷条件下运行,以便使系统的泥龄大于维持硝化所需最小泥龄。反硝化菌的生长,主要在缺氧条件下运行,并且要有充裕的碳源提供能量,才可促使反硝化作用顺利进行。生物脱氮系统中硝化与反硝化反应需要具备如下条件:硝化阶段:足够的溶解氧,DO值2mg/L以上,合适温度,最好20度,不能低于10度,足够长的污泥泥龄,合适的PH条件。反硝化阶段:硝酸盐的存在,缺氧条件,DO值0.2mg/L左右,充足的碳源(能源),合适的PH条件。需要控制足够的污泥龄与进水的碳氮化。还有进入生物处理池中的CODcr浓度、TKN/CODcr比值及P/CODcr比值。TKN/CODcr值小于0.08,有去除硝酸盐效果,若在0.08-0.11之间,不能完全去除硝酸盐,在0.11-0.14之间,UCT工艺也不能完全消除厌氧池中硝酸盐,需要控制回流比,以便减少硝酸盐对厌氧的影响。倘若TKN/CODcr大于0.14,城市污水不能用生物脱氮除磷方法。由于传统的A2/O、UCT工艺处理构筑物多,占地较大,投资多,运行管理较复杂,尤其对于中型以下的城市污水厂已较少采用,为此不予推荐。传统的氧化沟没有除磷功能,也没有设置专门的缺氧池,脱氮是在各曝气器之间形成的缺氧区域,因此脱氮能力有限。
采用硅藻精土水处理剂,并使用高效水力循环澄清池污水处理设备,由于硅藻在精选过程中把与硅藻共生的杂质分离除去,这样使硅藻表面本已平衡的电位形成不平衡电位,在水处理进行时,硅藻精土水处理剂被微量加入污水中,在高速搅拌,或抽吸污水的泵机叶片旋转下,瞬间分散于水体之中,硅藻表面的不平衡电位能中和悬浮离子的带电性,使其相斥电位受到破坏而与硅藻形成缪羽,电价中和与沉淀作用,凝集成较大的絮花,借重力沉淀至底部,加上硅藻巨大的表面积,巨大的孔体积和较强的吸附力,利用硅藻精土水处理剂对凯氏氮(TKN)有吸附、絮凝以及过滤作用,把污水中的有机物和无机物细微和超细微物质吸附到硅藻表面,形成链式结构。由非晶体活性二氧化硅组成的硅藻,具有在水体中相聚和自由沉降为硅藻饼的性能。再加上精土被改性后的絮凝作用加快硅藻等凝聚到水底形成硅藻饼的速度,使硅藻吸附时电位中和,污染物质和细菌,瞬间下沉与水体分离。
(五) P的去除
将磷从污水中去除,传统的方法可以采用化学法,也可以采用生物法。
化学除磷是向污水中投加三价盐(一般是铝盐和铁盐,二价铁应保证在曝气池内被氧化为三价铁),使之与污水中的磷酸盐形成难溶化合物,经过沉淀从水中去除。采用化学除磷的优点是工艺简单,除加药设备外不需要增加其它设施,因此特别适用于旧厂增加除磷功能。缺点是药剂消耗量大、剩余污泥量增加、处理成本增加。化学药剂的投加还要消耗水中的碱度。
生物除磷是污水中的聚磷菌在厌氧条件下,受到压抑而释放出体内的磷酸盐,产生能量用以吸收快速降解有机物,并转化为PHB(聚β羟丁酸)储存起来。当这些聚磷菌进入好氧条件下时就降解体内储存的PHB产生能量,用于细胞的合成和吸磷,形成高浓度污泥,并随剩余污泥一起排出系统,从而达到除磷的目的。缺点是为了避免剩余污泥中磷的再次释放,对污泥处理工艺的选择有一定的限制。好氧段磷的吸收取决于厌氧段磷的释放,而磷的释放又取决于厌氧段的厌氧条件(厌氧要求既无分子态的氧也无硝态氮的氧)以及可快速降解的有机物的含量(此值一般为进水CODcr的1/4~1/3),即P/CODcr比值越小越好。除磷效率的高低与进入生物处理池中易生物降解的CODcr浓度有很大的关系,当易生物降解的CODcr浓度小于50mg/L时(此时进水CODcr浓度大致为150-200mg/L),几乎没有除磷效果,P/CODcr比值应小于0.025,方能达到除磷的要求。这些条件均很难达到,为此生物除磷工艺总的来说效果不好。
从一般城市污水处理厂的进水水质和要求达到的目标,我们认为,最佳的处理工艺是采用硅藻精土水处理剂,并使用高效水力循环澄清池污水处理设备的工艺,该工艺对总磷的去除率能稳定的确保在90%以上,甚至达到99%,是目前任何一类工艺均不能达到;并且在除磷的同时也对污水中的重金属离子进行特别有效的去除。在满足除磷脱氮要求的前提下,BOD5、CODcr和SS的去除都能同时解决。
二、污水处理厂生产中水工艺方案选择
综合上述几种主要的脱氮除磷方法,A2/O、UCT、氧化沟由于要设置专门的二沉池,占地面积较大,投资运转费用都较大;T型氧化沟虽然不需设置二沉池,但由于使用的曝气装置限制了其水深,占地面积很大,且设置利用率,容积利用率均很低;传统的SBR(包括循环曝气法CAST),虽然构筑物少,水头损失小,但容积利用率仅50%;使用硅藻精土水处理工艺和庆中生化工艺(在BC比值很小条件下的生化技术),具有投资小、占地少、运转费低、去除率高、结构简单、能耗少、沉渣能回收再利用、无二次污染、适应性强、无论气候、温度、污水浓度发生变化均能不受影响。
三、硅藻精土水处理工艺及设备
(一)硅藻土
1、硅藻土的性质和用途
硅藻土[DIATEMITE]是一种生物成因的硅质沉积岩,主要由硅藻(一种单细胞的水生藻类)遗骸和软泥固结而成的沉积矿。具有孔隙度高、比表面积大、吸附性强、质轻、坚固、隔音、隔热、耐磨、耐酸和热传导性低等特性,广泛用于水处理、饮食、建材、化工、橡胶、石化、医药、冶金、油漆、化妆品、涂料、机械、能源等行列,可制水处理剂、助滤剂、填料、吸附剂、隔热材料、催化剂载体、色谱固定剂等,是近代工业不可缺少的材料,至今尚未获得令人满意的替换物质。
2、国外硅藻土开发的情况
l 硅藻土矿业在世界矿业中占的比例很小,约万分之一至万分之二。在一九七九年以后,硅藻土矿业增长不快,主要原因是:世界硅藻土资源不丰富,特别是经济品质适合开发的硅藻土资源不多,产品受原矿土品质限制,即无需选矿就可以达到硅藻精土质量的矿山储量很少,需要选矿才能利用的低品质原矿土的利用越来越迫切,低品位原土优选为精土的选矿工艺成为世界各国急需迫切解决的攻关课题,但至今难于解决,不能适应需求量越来越大的硅藻精土的要求,从而使硅藻土工业的发展受原材料的制约而难于较快发展。
l 由于硅藻土矿业不大,因此研究硅藻土矿业的人很少,硅藻土矿的开发,特别是低品位矿的开发,由于缺少实际经验和理论指导进展不快。
l 硅藻土原矿的物理性质,化学成分和极其复杂的共生杂质,因矿山不同而差异很大,这又增加了开发的困难。总的来说,世界硅藻土矿业增长不快的主要原因,不是需求的减退,而是高品质原矿土的供应因上述原因而产生困难。
3、我国硅藻土开发的情况
l 我国对硅藻土开发仅处于起步阶段,不论在基础理论研究还是在应用研究方面都远远不足,与硅藻土应用研究发达的领先国家相比,仅仅只是一个萌芽。
l 我国现有的权威部门和科研单位,由于缺乏硅藻土基础知识的了解,又无实践经验,多次发生误将其它矿种,当作硅藻土进行开发的情况,浪费大量的人力和财力。
l 我国忽视硅藻土基础理论研究和对国外技术的信息交流,致使研究工作长期停留在低水平阶段,从而缺少对一些较深的基础理论研究和较高层次的产品开发,研制成果几乎为零。
l 我国对硅藻土的研究起步较晚,各类专业人才非常缺乏,为此有一些根本不懂硅藻土知识的学者,出国取经,组织研讨会,结果使已出现的科技成果被压抑,而纯理论甚至是谬误的技术在大量发表,至使我国硅藻土开发进退徘徊。
l 我国硅藻土精土产品外销几乎为零,并且目前仍不能摆脱依靠进口的局面。
l 硅藻土工业的开发,对于储量丰富的我国,是迫在眉睫的重大课题,但我国的硅藻土资源,绝大多数均属中、低品位“贫矿”。为此,中国硅藻土的大量开发的首要问题是解决选矿工艺,只有找到经济、适用、可行的中低品位“贫矿”优选为精土的选矿工艺,我国的硅藻土工业才能迅速发展,否则将继续停留在目前现状上。
4、我国硅藻土资源情况
通过20余年来的努力,我国在硅藻土资源调查方面,做了一些工作,就目前已知的资料来看,我国硅藻土矿的形成分布具有以下几个特点:
l 我国硅藻土矿主要分布在云南省中部和西南地区以及我国东部浙江嵊县,东北部吉林省和内蒙古,四川攀西地区,广东雷州半岛。
l 我国硅藻土矿的形成时期从中新世开始一直延续到全新世,其中新世形成的硅藻土矿规模一般都较大。
l 我国的硅藻土矿均属非海相沉积,其中以淡水湖泊相沉积为主。
l 我国许多地区的硅藻土矿的形成和分布都与新生代以来火山活动(玄武岩)有密切联系。
l 我国硅藻土矿绝大多数均属中、低品位,必须经过选矿才能用作工业产品的原料。
l 我国的14个省,已勘明了七十余个硅藻土矿,以吉林、浙江和云南形成三足鼎立形势。东部沿海、西部新疆、北部黑龙江、南部广东、海南,中部内蒙、河北、山东、四川等均储藏着大量硅藻土,除吉林长白马鞍山矿品质较好外,全国原土均属中、低品位,王庆中教授研制的国家发明专利技术“硅藻土纯物理选矿工艺”均能把各地原土优选为精土。为此,我国硅藻土工业开发可在各地建选矿厂,就近供给精土。在近数百年内,仅勘明的储量,可以说开采量再大也开采不完。
(二)硅藻精土水处理剂工艺所取得的成绩
实践证明,硅藻精土水处理剂是“硅藻精土水处理工艺”的核心,硅藻精土水处理工艺适用于城市污水和各类工业废水处理。该工艺在经国内水处理专家组成的专家组及中国硅藻土协会评定为国内首创,并具有世界领先水平的技术。在广东、江苏、云南、贵州、广西、内蒙古建成的污水处理工程,在各省环境监测中心站等部门的监测下,成功地把城市污水、工业废水处理达到国家排放标准并可循环使用。 去除率分别达到BOD5 92-92.8%、CODcr 95%以上、SS 99%、TN 78%、TP 90.7%。一九九六年十月四日由云南省主管部门十四个单位十八名专家组成专家组对该污水处理工艺及试验进行评审,给予较高的评价并建议立即推广,该工艺的发明,为治理污染废水,提供了既经济又适用的最佳技术,使彻底根治污水由希望变为现实。
(1)一九九六年九月,在昆明明通河上进行了治理城市污水的试验,在省环保科研所参加下,由云南省监测中心站测示的结果如下:
项目 | PH | 色度 | BOD5 | CODcr | SS | TN | TP | |
自祥饭店污水 | 进水水质 | 6.31 | 40 | 150.68 | 377 | 1211.5 | 16.31 | 4.14 |
出水水质 | 6.87 | 4 | 10.78 | 33.7 | 未检出 | 7.78 | 0.39 | |
去除率(%) | 92.8 | 91 | 99.9 | 52.3 | 91.2 | |||
明通河水 | 进水水质 | 7.13 | 40 | 154.43 | 405 | 960 | 33.51 | 8.58 |
出水水质 | 6.82 | 5 | 11.47 | 18.6 | 未检出 | 7.12 | 0.59 | |
去除率(%) | 92.6 | 95.4 | 99.9 | 78.7 | 90.8 | |||
以上工程取得了悬浮物达到未检出的最佳效果,各项去除率均超过传统工艺。
(2)一九九六年九月,用该技术在昆明自祥饭店污水处理工程和昆明盘龙卫生巾厂污水处理工程中取得排水污染物指标全面达到国家一级排放标准,多项污染物指标远远超过国家效果一级排放标准的要求。
(3)一九九七年七月,用该技术建成的昆明大观河污水处理工程,排水远远超过国家一级排放标准,该工程轰动了昆明,云南日报在一个月内登载了三个版面,春城晚报也连载三篇文章,昆明日报等均进行报导,并且国外报刊也多次报导。云南电视台,昆明电视台等十多家电视台,广播电台均纷纷报导,省市领导亲自现场参观,省外纷纷闻讯赶来现场看。
(4)一九九八年三月,用该技术建成澄江禄充风景区污水处理站,又一次引起轰动,从试运转第一天起至今,多次接待省市领导及环保主管部门前往参观。电视、报刊也多次进行报导。
(5)一九九八年六月,用该技术建设贵州省六盘水市矿务局老鹰山煤矿8000m3/日废水处理工程。
(6)一九九八年三月起,用该技术参加九九博览会重点工程——滇池草海蓝藻应急治理试验,试验结果表明,该技术取得最好成绩。
(7)一九九八年三月在昆明市明通河上建成1000m3/d和4000m3/d两座城市污水处理展示工程。
(8)二000年在云南省瑞丽市造纸厂建成1000m3/d造纸黑液污水处理工程。
(9)二000年在广西省桂林市荔浦电镀厂建成500m3/d电镀废液工程。
(10)二00一年一月在内蒙古呼和浩特市建成10000m3/d城市污水处理工程。在零下17度的低温情况下,经该工艺处理后,出水水质的各项指标均达到国家规定排放标准。2001年2月21日香港文汇报C14港闻专题刊登了大幅版面“内地发明硅藻精土处理污水——较传统工艺具多项优势,可作本港污水处理方案借鉴”,对内蒙古呼和浩特市城市污水处理工程所取得的成果进行报导。
(11)二00二年六月广东清远市建成20000m3/d城市生活污水处理一期样板工程,广州日报多次进行报道。
(12)二00四年用庆中水处理技术第二代成功地在大理建成5000m3/d的城市生活污水出水已达到《城镇污水处理厂污染物排放标准》一级A标准GB18918-2002。目前正在协商的有:内蒙古呼和浩特市50000m3/d城市污水处理工程;广东省湛江市30000m3/d城市污水处理工程(用BOT方式);广东省中山市三乡镇20000m3/d城市污水处理工程。
(三)硅藻土纯物理选矿工艺
该工艺是当今世界上唯一能用物理方法把中低品位硅藻原土优选为精土的工艺,与化学法即酸洗法比较,具有投资小、效益高、无污染、耗电少、用水可循环,成本低,回收率高,操作简便,适应性强,设备结构紧凑,能连续生产,分离效率高等特点。工艺的要点是:原矿土采集后按不同品级堆放。投料前测定原土水分,按干料计重定量投入特制低速擦洗机中加水变细为浓矿浆。再流入高速分散机加水稀释为低浓度矿浆,此时在除粗砂设备中除去粗砂。然后进入高速搅拌机,加入硅藻土选矿专用重磁水,在叶片高速旋转下矿浆产生静摩擦,利用三氧化二铁,三氧化二铝等原土中杂质微粒带负电,重磁水带正电而二氧化硅保持中性的原理,用内摩擦产生的高压静电使杂质处于不沉降状态。矿浆进入负压爆破设备和超声波振震设备后,进入粗选设备,精选设备,除去细粒晶体二氧化硅、碎屑矿物,最后进入硅藻富集设备。不沉降的粘土和杂质向外排出,硅藻自由沉降富集为硅藻饼,从而把超低品位硅藻原土中的硅藻精选出来为高品质精土。所采集的原土品位高低,仅影响到精土的回收率高低,而不影响精土质量。因在选矿工艺流程中,仅有硅藻才能富集为饼,其余杂质均分选出去。为此,所得精土,纯度可达92%以上。
(四)硅藻精土处理剂处理污水的工艺
该工艺不但具有各传统工艺的综合优点,同时弥补各处理工艺的不足,并且具有各传统工艺所做不到的,沉渣可彻底取走并回收使用的特殊优点。本工艺不仅投资小,耗电少,成本低,占地少,处理质量好、去除率高,污染物可全部取走并再利用,而且适用性强,设备简单,操作方便,可作为各类大、中、小型企业工业废水和城市污水处理,是一种优于国内外各传统工艺的具有国际先进水平的污水处理工艺。它采用硅藻土纯物理选矿工艺优选提纯的硅藻精土改性配制而成处理剂,在专用的污水处理设备中,由于硅藻具有强烈的吸附性,把污水中的有机物和无机物吸附,在絮凝作用下,瞬间沉降至底部,获得洁净清水。清水可循环使用。而被硅藻吸附絮凝为饼的沉渣,可以彻底分离取出。因其中硅藻占一定量,按污染物类别的不同,分别再制成硅藻土系列产品。本工艺建设成本仅是生化法的40%。运转费仅是混凝法的50-60%。
1、硅藻精土改性配制成硅藻精土水处理剂
硅藻精土水处理剂是获国家发明专利的专有产品。硅藻是一种单细胞藻类,它的形体极为微小,一般只有几微米到十几微米,直到显微镜问世后,人们对它才逐渐有所了解。硅藻能进行光合作用,自制有机物,是水域中需氧动物的氧气提供者。在水体中以惊人的速度生长繁殖,它们的遗骸沉积形成硅藻土。经过选矿,除去与其共生的粘土、石英砂、碎屑矿物等杂质后,把硅藻富集到92%以上称为精土。硅藻精土与硅藻土的区别,关键在“精”字。世界上没有纯净的硅藻土,为此, 硅藻土中有很多杂质, 硅藻含量少,不但在处理水时难于把水处理清,还可能把水搅混。经过特殊方法提纯,把硅藻富集到92%以上称为精土。颜色为白色,紧堆密度0.3-0.4g/ml,比表面积50-60m2/g, 数量2-2.5亿个/g,孔体积0.6-0.8cm3/g,孔半径2000-4000Å,吸水率能吸收自身重量的3-4倍。具有质轻、多孔、隔音、耐酸、而碱、比表面积大、化学性质稳定、热稳定和吸附能力强等特点。在水处理中根据污水的类别在精土中加一定量的改性物质,改性配制成处理各种水质的硅藻精土水处理剂。
2、硅藻精土处理污水的工艺要点
硅藻在精选过程中把与硅藻共生的杂质分离除去,这样使硅藻表面本已平衡的电位形成不平衡电位,在水处理进时,硅藻精土处理剂被微量加入污水中后,在高速搅拌,或抽吸污水的泵机叶片旋转下,瞬间散于水体之中,硅藻表面的不平衡电位能中和悬浮离子的带电性,使胶体颗粒的胶团结构的ξ电位减小或为零,从而达到胶体颗粒脱稳作用的目的,促使水中的污染物快速絮凝、沉淀。使其相斥电位受到破坏而与硅藻形成缪羽,电价中和与沉淀作用,凝集成较大的絮花,借重力沉淀至底部,加上硅藻巨大的表面积,巨大的孔体积和较强的吸附力,把细微和超细微物质吸附到硅藻表面,形成链式结构。由非晶体活性二氧化硅组成的硅藻,具有在水体中相聚和自由沉降为硅藻饼的性能。再加上精土被改性后产生的絮凝作用,加快硅藻等凝聚到水底形成硅藻饼的速度,使硅藻吸附时电位中和,污染物质和细菌,瞬间下沉与水体分离,清水向上流出。并且硅藻还具有能自身脱水的功能,当沉渣被排放到厢式脱水机上时, 通过机械挤压压榨脱水。沉渣被吸附着留在滤布上而水质透过硅藻被过滤到滤布外回流到调节池。沉渣保持在含水57%左右,成饼状装袋取走,从而达到污水处理为清水的目的。
3、沉渣回收再利用
用硅藻精土作水处理剂处理污水后所获得的沉渣均可以回收再利用。因为该沉渣中含有大量的硅藻、粘土质,有机质和无机盐,但沉渣不会变质腐烂,经试验,我们把沉渣做成轻质建材保温砖和普通轻型建材产品,由于沉渣中含有氮和磷,而硅藻土是酸性土壤改良剂,为此该沉渣也可以作为肥料,该沉渣经试验不会使土壤变硬,而相反能把硬质土变得更松散。承办水处理工程的公司是选矿为主的公司,既然能把超低品位原土提纯为精土,就能把沉渣中的硅藻土再精选富集为精土,这一点是勿需置疑的。而重新提纯的精土可以再次用于污水处理。提纯方法有两种,其一是用纯物理湿法选矿工艺,在附近建一个专门提选沉渣中精土的选矿厂。其二是用风选,此方法已做了试验,沉渣在850度高温下用推板窑,立窑或回转窑煅烧,此时有机质挥发,粘土质被烧结,而硅藻溶点是1200度保持完整状态,然后用旋风头式风选机( 三级旋风头)分选,被烧结的粘土和粗粒晶体矿物被分选出去,而硅藻以它特殊结构被第二级收集,第三级是粉层回收作填料,获得富集的硅藻再改性为水处理剂。
(五)用硅藻精土处理污水工艺与其他工艺比较
目前国内外处理污水方法归结起来主要有物理化学法和生化法两大类。
1、物理化学法
采用格栅->沉砂->絮凝->沉淀->出水的简单工艺流程。优点是投资小、占地少、节约能源、设备简单,去除重金属、磷、色度效果好。但缺点是对有机物和氮的去除不理想。单独使用在浓度低的情况下不经济,特别是各型絮凝剂的加入在水底形成浓液不能彻底分离取走,最终仍然排放造成更严重的第二次污染。目前,该方法在各企业的污水处理中被普通采用,一般不能把污水处理达到国家排放标准,由于絮凝的大量污泥无法处理,目前一般采用填埋的方式。所以,这类工艺不是污水处理的理想工艺。
2、生化法
采用氧化沟,A2/O、AB、ICEAS,SBR工艺为主流。优点是工艺已较为成熟,去除污水中的有机污染物及营养物质氮、磷等有一定效果。但缺点是CODcr去除率低,脱色效果差、投资大、占地多、耗电高、设备复杂、管理要求严格。另外该工艺还有一个很大的缺点,就是大量的污泥难于处置,仍易产生二次污染。为此,该类工艺也不适于我国国情,不是污水处理的理想工艺。
3、硅藻精土处理剂处理污水工艺与传统方法的比较
以10000m3/d工程规模为例
方法 | 占地面积 | 基建投资(万元) | 单位处理成本(元/m3) | 优 点 | 缺 点 |
生物化学法 | 10亩 | 1500 | 0.70 | 污水处理适应强,TN、TP、BOD5去除率高有成熟可靠的设计参数和运行管理经验. | 投资大,占地多,工艺流程复杂,操作复杂,温度控制要求高,污泥处置困难,色度和CODcr去除率低。 |
化 学 法 | 4亩 | 1200 | 0.803 | 投资小,占地少,耗电低,设备简单,去除重金属、磷效果好。 | 投药量大,混凝速度慢,处理成本高,有腐蚀性,污泥处置困难,造成二次污染,对有机物和氮去除效果差。 |
硅藻精土处理剂法 | 2亩 | 680 | 0.30 | 出水质量好,水质稳定,运行成本低,停留时间短,温度变化不影响,连续处理,污泥无二次污染,自动化控制,特别适应城市污水处理。 | 对有些难度大的工业污水还须有针对性试验,配制相应硅藻精土处理剂。 |
要彻底治理污水必须寻求切实可行的新技术、新工艺。目前国内外处理污水的传统工艺,均不能使污泥与水分离后彻底取出,更谈不上把污泥再制成可用产品。加之各类工艺的严重缺点,使污水处理工作形成老大难问题。要彻底治理污水,必须寻求切实可行的新技术、新工艺。硅藻精土处理剂处理污水的工艺不但具有各传统工艺的综合优点,同时弥补各处理工艺的不足,并且具有各传统工艺所做不到的,沉渣可彻底取走并回收使用的特殊优点。本工艺不仅投资小、耗电少、成本低、占地少、处理质量好,去除率高,污染物可全部取走并再利用,而且适用性强,设备简单,操作方便,能连续处理,可作为各类大、中、小型城市污水处理。是优于国内外传统工艺的具有国际先进水平的污水处理工艺。 处理污水的理想工艺,应该是处理后出水水质好,投资少,耗电低,占地小,运转成本低,污泥能彻底分离取出,并能再加工制成其他产品的最佳工艺,本可行性报告提出的工艺,是目前所有污水处理均办不到而唯有该工艺能做得到的理想工艺,这正是本方案优势。
4、工艺优势
1、投资费用低,本工艺与传统工艺相比,占地面积小,工艺流程短,故10000T/d以上规模的工程项目投资总额仅为其它工艺的50-65%。
2、运行费用省,实际运行费用中的大头是药剂费,其用量约在十万分之五至七,水处理剂单价为2100元/吨(含运费),故每处理1立方米污水药剂费不超过0.15元,加上电力、人工,每处理1立方米污水的运行费用不超过0.40元, 运行费仅是其它工艺的30-45%。
3、总磷总氮去除率高,去除重金属有明显效果。由于硅藻精土水处理工艺的特殊作用,对污水中的总磷、总氮和重金属有比较高的去除率。以本工艺在昆明明通河城市污水工业性试验为例,由云南省环境保护科研所参加,经省环境监测中心站测试,TN 33.51 mg/L 到7.12 mg/L,去除率78.7%,TP 8.58 mg/L 到0.79 mg/L 去除率91.8%。
4、治污与补水相结合,本工艺对悬浮物SS等指标特别明显,处理后的清水达到国家《城镇污水处理污染物排放标准》,水体清澈透明,完全可以满足补给水的要求。采用硅藻精土水处理工艺,治污与补水一次解决,一举两得可节省许多投资。
5、废渣处理简单且用途多样不会造成二次污染。硅藻精土水处理的废渣收集简单,废渣可以从排渣口直接装袋,也可以经机械脱水后运出厂外,不需要添加药剂处理。硅藻土本身具有质轻、隔热、保温特性、是无毒天然物质,故废渣可以制造保温砖、轻质建材,也可以做农田肥料,如果量大,还可以重新提取硅藻,生产硅藻精土水处理剂,循环使用。
6、管理费用低。由于该工艺简单,处理设施小,工艺流程短,因此操作管理方便,管理费用低
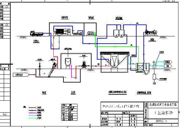
四、硅藻精土水处理工艺流程图


