您当前位置:首页 » 土木监理 » 监理表格
PHC预应力砼管桩隐蔽工程检查验收记录 27P
  • 资料等级:
  • 授权方式:资料共享
  • 发布时间:2020-09-22 11:25:49
  • 资料类型:RAR
  • 资料大小:35.4 KB
  • 资料分类:土木监理
  • 运行环境:WinXp,Win2003,WinVista,Win ;
  • 解压密码:civilcn.com
PHC预应力砼管桩隐蔽工程检查验收记录 27P
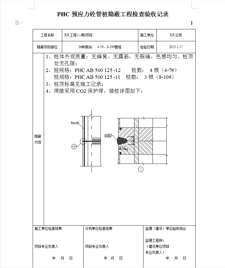
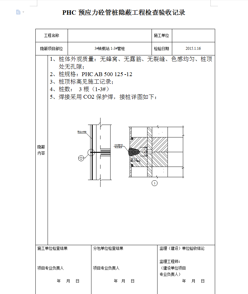
本文为PHC预应力砼管桩隐蔽工程检查验收记录,供大家参考。
软件截图
  • PHC预应力砼管桩隐蔽工程检查验收记录 27P
  • PHC预应力砼管桩隐蔽工程检查验收记录 27P
  • PHC预应力砼管桩隐蔽工程检查验收记录 27P