您当前位置:首页 » 土木监理 » 监理月报
市政道路工程监理月报 12P
  • 资料等级:
  • 授权方式:资料共享
  • 发布时间:2022-10-24 10:15:27
  • 资料类型:RAR
  • 资料大小:7.21 MB
  • 资料分类:土木监理
  • 运行环境:WinXp,Win2003,WinVista,Win ;
  • 解压密码:civilcn.com
市政道路工程监理月报 12P
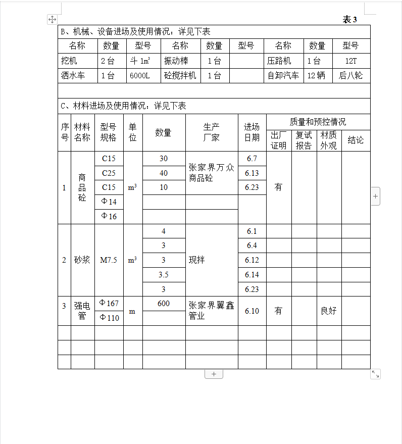
道路雨、污水主管已全部安装回填完成,支管已完成K0+020—K0+130段过街雨水支管的安装及回填,强电管道已敷设完成,右幅人行道已基本整形到位,路基第三次回填紧剩余K0+740段暂未回填到位;K0+020—K0+160段挡土墙已全部砌筑完成
软件截图
  • 市政道路工程监理月报
  • 市政道路工程监理月报
  • 市政道路工程监理月报
推荐下载
相关下载
评论网友评论仅供网友表达个人看法,并不表明土木工程网同意其观点或证实其描述!
验证码: 验证码