首页
论文
毕业
图纸
知识
方案
全部
建筑
结构
水利
园林
建筑设计
结构设计
水利工程
给水排水
园林工程
暖通空调
环境保护
路桥工程
岩土工程
工程造价
CAD教程
注册考试
电气工程
建筑论文
建筑图纸
建筑施工
毕业设计
建筑套图
建筑总结
建筑表格
实习报告
建筑课件
天正教程
工艺工法
施工交底
建筑图集
建筑软件
建筑规范
建筑书籍
您当前位置:
首页
»
建筑设计
»
建筑施工
22层住宅土建检验试验方案(30P)
资料等级:
授权方式:
资料共享
发布时间:
2021-09-13
资料类型:
RAR
资料大小:
197 KB
资料分类:
建筑设计
运行环境:
WinXp,Win2003,WinVista,Win ;
解压密码:
civilcn.com
软件介绍
充值VIP
下载帮助
下载地址
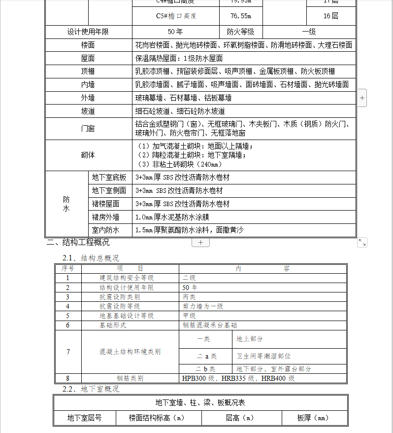
每1万块为一检验批,不足1万块也为一个检验批。强度和密度检验用试样应采用随机抽样法从外观质量和尺寸偏差检验合格的砌块中随机抽取,按下图制作100mm×100mm×100mm的立方体试件。试件的制备,应采用机锯或刀锯,锯切不得将试件弄湿。试件应沿制品发气方向中心部分上、中、下顺序锯取一组,“上”块上表面距离制品顶面30mm,“中”块在制品正中处,“下”块下表面距离制品底面30mm。试件表面必须平整,不得有裂缝或明显缺陷,尺寸允许偏差为±2mm;试件应标明锯取部位和发气方向。
软件截图
下载地址
充值VIP
下载帮助
立即下载
土木工程网提醒您:本资料下载权限为
(VIP会员)
点击进入下载22层住宅土建检验试验方案(30P)
(需要2积分)
推荐下载
图纸
某四层商场建筑施工图纸(含水电暖图纸)
毕业
某小区矩形住宅楼毕业设计(含图纸、计算书
施工
大学新校区建设工程综合体育馆施工组织设计
天正
CAD天正建筑与CAD标准视频教程
图集
桥梁工程作业指导书及施工技术交底相关资料
CAD
AutoCAD 2022简体中文版
相关下载
管道水压试验方案 3P
施工监理平行检验方案监理实施细则 21P
桥梁荷载试验方案布置与优化过程 60P
22层住宅土建检验试验方案 30P
金融中心地下室试验检验方案 20P
地下空间工程监理平行检验方案 29P
物流综合服务中心监理平行检验方案 31P
变电站工程监理平行检验方案(参考版) 20P
评论
网友评论仅供网友表达个人看法,并不表明土木工程网同意其观点或证实其描述!
验证码:
热门标签
建筑设计
天正教程
建筑毕业设计
别墅图纸
建筑施工方案
户型平面图
学生课程设计
CAD教程
地方图集
建筑知识
建筑下载
热门图纸
建筑图纸
某小区四层单元式住宅楼建筑施工图纸
建筑施工
某知名地产住宅小区全套施工方案及技术交底(附C
毕业设计
某六层框架住宅楼毕业设计(含图纸、计算书、任务
建筑课件
16G101图集常用点解读
建筑表格
四川省工程建设统一用表(2020修订版)
工作总结
30套施工员年终个人总结
实习报告
室内设计毕业实习报告 9P
学生课程
装饰装修CAD图库
别墅图纸
三层小别墅建筑专业全套图纸
户型图
农村活动中心建筑平面图
装修图
某酒店装饰工程设计图纸
建筑规划
新建厂房项目临时设施施工图纸
建筑详图
徽派私宅建筑设计图纸
建筑模型
项目开工策划汇报
住宅楼
某小区四层单元式住宅楼建筑施工图纸
T20天正建筑V7.0个人版
砌体结构办公楼课程设计(含图纸)
八层框架结构食堂、备勤楼施工组织设计 130
六层综合教学楼工程毕业设计(含建筑结构图
热点论文
工程知识
建筑论文
3月1日起执行:住建部制定新版《工程保函示范文本
结构论文
装配式建筑从生产到施工,图文解析!
水利论文
如何高效节水灌溉
园林论文
史上最全景观植物配置表,建议收藏!
路桥论文
最新99份道路、桥梁、轨道、隧道施工组织设计汇总
电气论文
最新50份水电安装工程施工方案、施工组织设计整理
造价论文
7月1日后,工程造价咨询资质在全国范围内正式取消
CAD教程
AutoCAD2022简体中文版安装教程
施工知识
施工进度计划编制的9个问题
建筑知识
机场场道工程专业承包企业资质等级标准
造价知识
CQZF、CQBF、CQCF、CQTF是什么文件以及新点招标文
结构知识
浮重度、有效重度的区别是什么呢?
电气知识
8个你一定要知道的配电箱的要点
安全文明
十条建筑工地疫情防控要点
市政知识
道路常见试验检测方法
合同知识
工程劳务分包合同最新模板
互动交流
微信扫码关注公众号
获取更多土木资讯