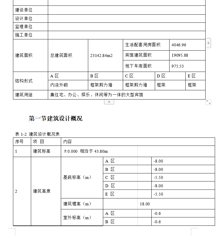
建筑面积总建筑面积:23142.84m2,生活配套用房面积:4046.96,宾馆建筑面积:19095.88,地下车库面积:975.53。地下防水卷材防水与混凝土的自防水相结合,外墙装修窗井处外墙为6 厚水泥石灰膏砂浆罩面,其余部分均为浅驼色瓷砖。
第一章 工程概况 5
第1节 工程简介 5
第2节 建筑设计概况 6
第3节 结构概况 11
第4节 给排水、通风与空调专业概况 15
第5节 电气专业概况 18
第6节 现场概况 21
第7节 工程特点 21
第二章 施工部署 22
第1节 管理目标 22
第2节 管理体系 22
第3节 总体施工安排 25
第4节 主要施工方案的选择 27
第5节 主要施工机械选择 29
第6节 拟采用的四新项目及建设部成果推广应用计划 31
第三章 施工准备 32
第1节 技术准备 32..................







