Äúµ±Ç°Î»Ö㺠Ê×Ò³» ½¨ÖþÉè¼Æ» ½¨ÖþÊ©¹¤½»µ×
¸ß¾ÛÎï¸ÄÐÔÁ¤Çà¾í²Ä·ÀË®²ãÊ©¹¤¼¼Êõ½»µ× 13P
  • ×ÊÁϵȼ¶£º
  • ÊÚȨ·½Ê½£º×ÊÁϹ²Ïí
  • ·¢²¼Ê±¼ä£º2021-11-20
  • ×ÊÁÏÀàÐÍ£ºRAR
  • ×ÊÁÏ´óС£º76.1 KB
  • ×ÊÁÏ·ÖÀࣺ½¨ÖþÉè¼Æ
  • ÔËÐл·¾³£ºWinXp,Win2003,WinVista,Win ;
  • ½âѹÃÜÂ룺civilcn.com
¸ß¾ÛÎï¸ÄÐÔÁ¤Çà¾í²Ä·ÀË®²ãÊ©¹¤¼¼Êõ½»µ× 13P
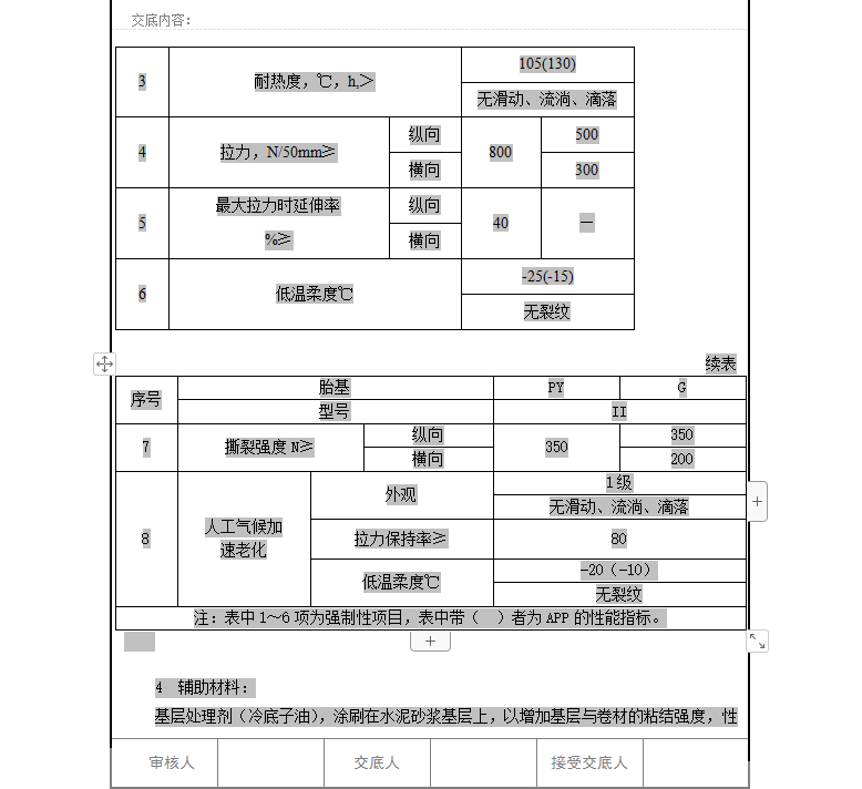
¸ß¾ÛÎï¸ÄÉüÁ¤Çà·ÀË®¾í²Ä£¬Ö÷ÒªÊÇÒÔ±½ÒÒϩһ¶¡¶þϩһ±½ÒÒÏ©£¬¼ò³ÆÎª(SBS)·ÀË®¾í²ÄºÍÎÞ¹æ¾Û±ûÏ©(APP)»ò¾ÛÏ©ÌþÀà¾ÛºÏÎï(APAO¡¢APO)µÄ½¨Öþ·ÀË®¾í²Ä£¨Í³³ÆAPP¾í²Ä£©¡£Æä¾í²ÄµÄÖÊÁ¿¡¢¼¼ÊõÐÔÄܱØÐë·ûºÏÉè¼ÆÒªÇóºÍÊ©¹¤ÑéÊչ淶µÄ¹æ¶¨£¬²¢Ó¦Óгö³§ºÏ¸ñÖ¤¼°ÊÔÑ鱨¸æ£¬»¹Ó¦ÔÚ±±¾©Êн¨Î¯²ÄÁϱ¸°¸¡£·ÀË®¾í²ÄÔ˵½Ê©¹¤ÏÖ³¡ºó£¬½øÐгéÑù¼ì²â£¬Ã¿100¾í³é2×飬101¡«499¾í³é3×飬500¡«999¾í³é×é4×飬¡Ý1000¾í³é5×飬×÷Íâ¹Û¼ì²é£¬È»ºó³é×îÇáµÄÒ»¾í×÷ÎïÀíÐÔÄܼì²é¡£ºÏ¸ñµÄ·ÀË®²ÄÁÏ·½¿ÉʹÓá£
°´Ì¥»ù·ÖΪ¾Û¿áÌ¥£¨PY£©ºÍ²£ÏËÌ¥£¨G£©Á½Àà¡£°´ÉϱíÃæ²ÄÁÏ·ÖΪ¾ÛÒÒϩĤ£¨PE£©¡¢Ï¸É°£¨S£©Óë¿óÎïÁ££¨Æ¬£©ÁÏ£¨M£©ÈýÖÖ¡£°´ÎïÀíÁ¦Ñ§ÐÔÄÜ·ÖΪIÐͺÍIIÐÍ£¬µØÏ·ÀË®¶àÓÃÓÚBÐÍ¡£°´²»Í¬Ì¥»ù¡¢²»Í¬ÉϱíÃæ²ÄÁÏ·ÖΪ6¸öÆ·ÖÖ£¬¼ûÏÂ±í¡£¾í²ÄÆ·ÖÖ
Èí¼þ½ØÍ¼
  • ¸ß¾ÛÎï¸ÄÐÔÁ¤Çà¾í²Ä·ÀË®²ãÊ©¹¤¼¼Êõ½»µ× 13P
  • ¸ß¾ÛÎï¸ÄÐÔÁ¤Çà¾í²Ä·ÀË®²ãÊ©¹¤¼¼Êõ½»µ× 13P
  • ¸ß¾ÛÎï¸ÄÐÔÁ¤Çà¾í²Ä·ÀË®²ãÊ©¹¤¼¼Êõ½»µ× 13P