首页
论文
毕业
图纸
知识
方案
全部
建筑
结构
水利
园林
建筑设计
结构设计
水利工程
给水排水
园林工程
暖通空调
环境保护
路桥工程
岩土工程
工程造价
CAD教程
注册考试
电气工程
结构论文
结构图纸
毕业设计
结构图集
计算分析
结构施工
结构课件
PKPM
3D3S
ansys
结构表格
结构总结
抗震加固
实习报告
结构规范
结构书籍
您当前位置:
首页
»
结构设计
»
结构总结
建筑结构荷载取值经验总结 16P
资料等级:
授权方式:
资料共享
发布时间:
2022-04-08
资料类型:
RAR
资料大小:
516 KB
资料分类:
结构设计
运行环境:
WinXp,Win2003,WinVista,Win ;
解压密码:
civilcn.com
软件介绍
充值VIP
下载帮助
下载地址
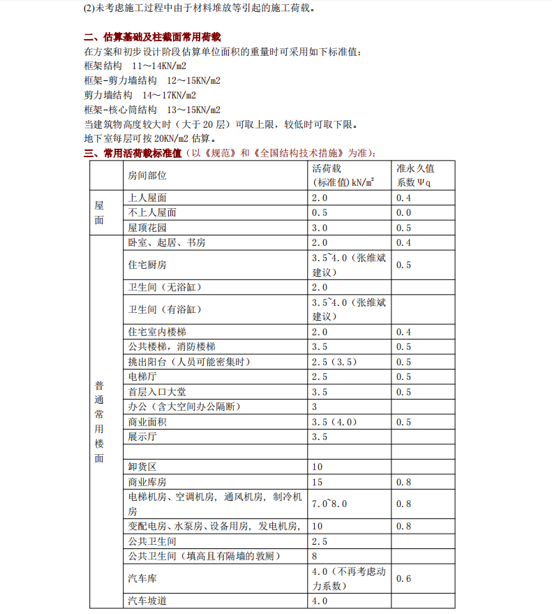
建筑结构荷载取值经验总结的主要内容是:荷载校审常见问题。估算基础及柱截面常用荷载。常用活荷载标准值。常用恒荷载标准值。墙线荷载标准值。消防车荷载如何考虑。扶梯荷载如何考虑。高层建筑擦窗机荷载如何考虑。首层施工活荷载如何考虑。屋顶花园种植覆土厚度如何考虑。
软件截图
下载地址
充值VIP
下载帮助
立即下载
土木工程网提醒您:本资料下载权限为
(普通会员)
点击进入下载建筑结构荷载取值经验总结 16P
(需要2积分)
推荐下载
PKPM
PKPM相关参数设置
3D3S
3D3S视频教程:杆件导荷载常见问题
STRAT
空心板无梁楼盖采用等代梁计算对比
ansys
Ansys在土木工程结构计算方面的最新工作
毕业
七层框架结构住宅楼毕业设计(含图纸)
施工
框剪结构住宅高支模架专项施工方案
相关下载
建筑结构专业工作总结
评论
网友评论仅供网友表达个人看法,并不表明土木工程网同意其观点或证实其描述!
验证码:
热门标签
结构设计
结构毕业设计
结构图纸
结构课件
结构工艺工法
STRAT教程
抗震加固
混凝土结构
PKPM教程
结构软件
结构下载
热门图纸
结构软件
单桩承载力计算
计算分析
260个结构计算小软件
结构课件
16G101(1~3)图集视频教程 第一部分
结构表格
某会所全套工程量自动计算表格合集(Excel)
结构总结
钢结构质量控制要点 4P
实习报告
探讨框架主体结构工程施工总结PDF 14P
抗震加固
三层砌体结构住宅加固施工图纸
工艺工法
条石(料石)墙体砌体工程施工工艺 17P
砌体结构
二层砖混结构办公楼加固施工图
混凝土
片石挡土墙竣工图纸
钢结构
膜结构停车棚施工图
厂房结构
某钢结构厂房整套施工图纸
地基基础
防水节点大样图
毕业设计
小区六层现浇钢筋混凝土框架结构住宅楼毕业设计(
结构施工
钢筋加工场临建施工方案
钢筋混凝土梁平法施工图识读 57P
16G101平法及钢筋计算基本知识
某服装厂厂房综合楼毕业设计(含图纸、计算
钢结构住宅楼方案毕业设计计算书及图纸
热点论文
工程知识
建筑论文
房屋建筑和市政基础设施工程施工现场新冠肺炎疫情
结构论文
装配式建筑从生产到施工,图文解析!
水利论文
如何高效节水灌溉
园林论文
史上最全景观植物配置表,建议收藏!
路桥论文
最新99份道路、桥梁、轨道、隧道施工组织设计汇总
电气论文
最新50份水电安装工程施工方案、施工组织设计整理
造价论文
7月1日后,工程造价咨询资质在全国范围内正式取消
CAD教程
全网最全CAD新手汇总:全系列软件、安装教程、使
施工知识
施工现场安全如何做到标准化
建筑知识
机场场道工程专业承包企业资质等级标准
造价知识
讲解66个与工程价款纠纷有关的问题
结构知识
浮重度、有效重度的区别是什么呢?
电气知识
8个你一定要知道的配电箱的要点
安全文明
十条建筑工地疫情防控要点
市政知识
道路常见试验检测方法
合同知识
工程劳务分包合同最新模板
互动交流
微信扫码关注公众号
获取更多土木资讯