Äúµ±Ç°Î»Ö㺠Ê×Ò³» ½á¹¹Éè¼Æ» ¼ÆËã·ÖÎö
Ä£°åÖ§¼Ü¹¤³Ì¼ÆËãÊé 7P
  • ×ÊÁϵȼ¶£º
  • ÊÚȨ·½Ê½£º×ÊÁϹ²Ïí
  • ·¢²¼Ê±¼ä£º2022-03-28
  • ×ÊÁÏÀàÐÍ£ºRAR
  • ×ÊÁÏ´óС£º30.3 KB
  • ×ÊÁÏ·ÖÀࣺ½á¹¹Éè¼Æ
  • ÔËÐл·¾³£ºWinXp,Win2003,WinVista,Win ;
  • ½âѹÃÜÂ룺civilcn.com
Ä£°åÖ§¼Ü¹¤³Ì¼ÆËãÊé 7P
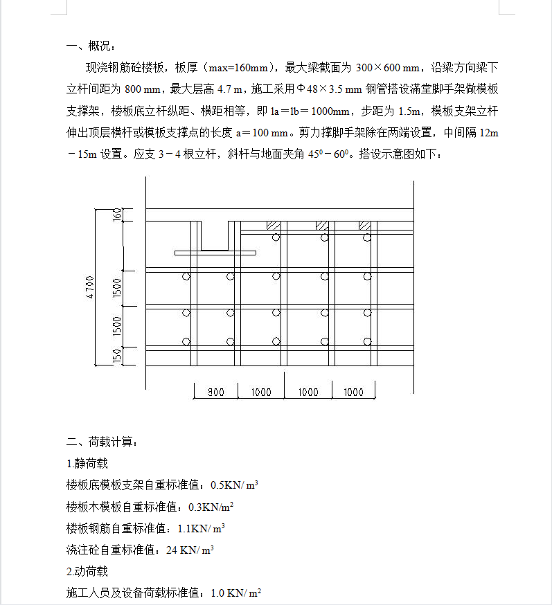
ÏÖ½½¸Ö½îíÅÂ¥°å£¬°åºñ£¨max=160mm£©£¬×î´óÁº½ØÃæÎª300¡Á600 mm£¬ÑØÁº·½ÏòÁºÏÂÁ¢¸Ë¼ä¾àΪ800 mm£¬×î´ó²ã¸ß4.7 m£¬Ê©¹¤²ÉÓç¶48¡Á3.5 mm¸Ö¹Ü´îÉè?MÌýÅÊÖ¼Ü×öÄ£°åÖ§³Å¼Ü£¬Â¥°åµ×Á¢¸Ë×ݾࡢºá¾àÏàµÈ£¬¼´la£½lb£½1000mm£¬²½¾àΪ1.5m£¬Ä£°åÖ§¼ÜÁ¢¸ËÉì³ö¶¥²ãºá¸Ë»òÄ£°åÖ§³ÅµãµÄ³¤¶Èa£½100 mm¡£¼ôÁ¦³Å½ÅÊּܳýÔÚÁ½¶ËÉèÖã¬Öмä¸ô12m£­15mÉèÖá£Ó¦Ö§3£­4¸ùÁ¢¸Ë£¬Ð±¸ËÓëµØÃæ¼Ð½Ç450£­600¡£
Èí¼þ½ØÍ¼
  • Ä£°åÖ§¼Ü,½á¹¹¼ÆËãÊé
  • Ä£°åÖ§¼Ü,½á¹¹¼ÆËãÊé
  • Ä£°åÖ§¼Ü,½á¹¹¼ÆËãÊé