首页
论文
毕业
图纸
知识
方案
全部
建筑
结构
水利
园林
建筑设计
结构设计
水利工程
给水排水
园林工程
暖通空调
环境保护
路桥工程
岩土工程
工程造价
CAD教程
注册考试
电气工程
路桥图纸
路桥论文
毕业设计
路桥施工
桥梁工程
道路工程
轨道工程
选线设计
路基路面
绿化工程
检修与维护
路桥软件
路桥规范
路桥书籍
路桥套图
您当前位置:
首页
»
路桥工程
»
绿化美化工程
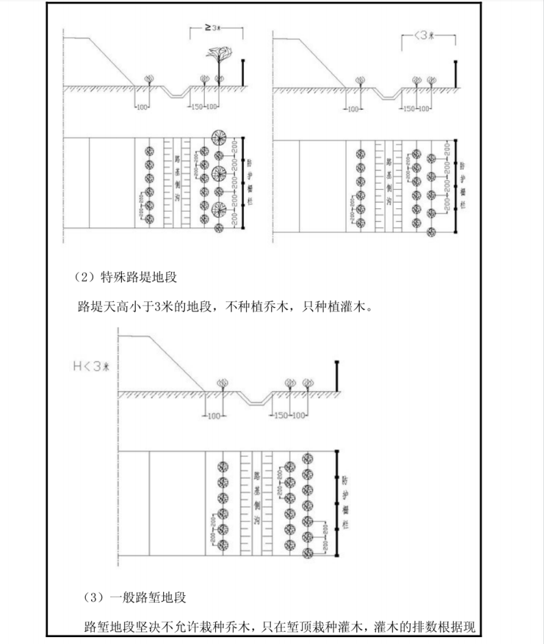
路基绿化工程技术交底书 6P
资料等级:
授权方式:
资料共享
发布时间:
2022-01-24 11:28:44
资料类型:
RAR
资料大小:
519 KB
资料分类:
路桥工程
运行环境:
WinXp,Win2003,WinVista,Win ;
解压密码:
civilcn.com
软件介绍
充值VIP
下载帮助
下载地址
栽植坑的质量,对植株以后的生长发育有很大的影响,应根据各种不同规格的苗木及土球的大小、土质情况来确定坑大小,一般应比规定的根系及土球直径大20一30cm,同时根据树种根系类别,确定坑的深浅,坑应成圆筒形,以保证栽植时根系舒展,以利成活。挖坑时以标记做圆心,按照规格要求划圆,沿圆的四周向下垂直挖掘到规定的深度,然后将坑底挖松、弄平。
软件截图
下载地址
充值VIP
下载帮助
立即下载
土木工程网提醒您:本资料下载权限为
(普通会员)
点击进入下载路基绿化工程技术交底书 6P
(需要0积分)
推荐下载
图纸
省道及农村公路交通安全项目双石包桥新建工
施工
桥梁公路沥青路面专项施工方案 32P
毕业
两层三跨箱型框架地铁车站毕业设计(含开题
套图
2018新版桥梁空心板通用图
软件
桥梁博士操作教程
CAD
AutoCAD 2022简体中文版
相关下载
人行景观步道河道护坡技术交底书PDF 12P
农田水利工程技术交底书PDF 10P
广场路基绿化工程施工技术交底记录 2P
路基边坡绿化工程技术交底书 3P
桥梁工程旋挖钻施工技术交底书 6P
桥梁工程系梁支撑体系技术交底书 6P
桥梁人行爬梯搭设技术交底书 4P
桥梁工程墙背回填技术交底书 4p
评论
网友评论仅供网友表达个人看法,并不表明土木工程网同意其观点或证实其描述!
验证码:
热门标签
路桥工程
桥梁工程
道路工程
轨道工程
路桥施工方案
路桥套图
路桥图纸
毕业设计
路桥图库
隧道工程
路桥下载
桥梁工程
桥梁工程引桥钻孔桩施工作业指导书 19P
道路工程
最新C级波形护栏设计图纸
轨道工程
承台、墩身施工标准化 72P
选线设计
道路平面设计(选线及线形设计) 75P
路基路面
一般路基施工方案设计及施工技术 166P
绿化工程
道路绿化工程施工方案 23P
路桥施工
轨道交通地铁车站投标性施工组织设计 445P
隧道工程
一级公路新建工程隧道爆破施工安全专项施工方案
高速公路安全生产综合应急救援预案 90P
桥梁工程质量事故案例及教训 122P
高速公路下穿高铁施工方案(含图纸)
高速公路高墩专项施工方案(含图纸)
热点论文
工程知识
建筑论文
3月1日起执行:住建部制定新版《工程保函示范文本
结构论文
装配式建筑从生产到施工,图文解析!
水利论文
如何高效节水灌溉
园林论文
史上最全景观植物配置表,建议收藏!
路桥论文
最新99份道路、桥梁、轨道、隧道施工组织设计汇总
电气论文
最新50份水电安装工程施工方案、施工组织设计整理
造价论文
7月1日后,工程造价咨询资质在全国范围内正式取消
CAD教程
AutoCAD2022简体中文版安装教程
施工知识
施工进度计划编制的9个问题
建筑知识
机场场道工程专业承包企业资质等级标准
造价知识
CQZF、CQBF、CQCF、CQTF是什么文件以及新点招标文
结构知识
浮重度、有效重度的区别是什么呢?
电气知识
8个你一定要知道的配电箱的要点
安全文明
十条建筑工地疫情防控要点
市政知识
道路常见试验检测方法
合同知识
工程劳务分包合同最新模板
互动交流
微信扫码关注公众号
获取更多土木资讯