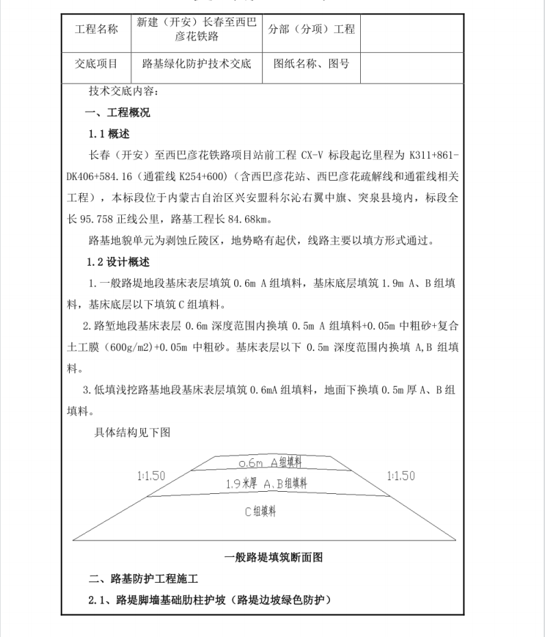
一般路堤地段基床表层填筑0.6m A组填料,基床底层填筑1.9m A、B组填料,基床底层以下填筑C组填料。路堑地段基床表层0. 6m深度范围内换填0. 5m A组填料+0.05m中粗砂+复合土工膜(600g/m2)+0. 05m中粗砂。基床表层以下0. 5m深度范围内换填A,B组填料。低填浅挖路基地段基床表层填筑0. 6mA组填料,地面下换填0.5m厚A、B组填料,。




RAR