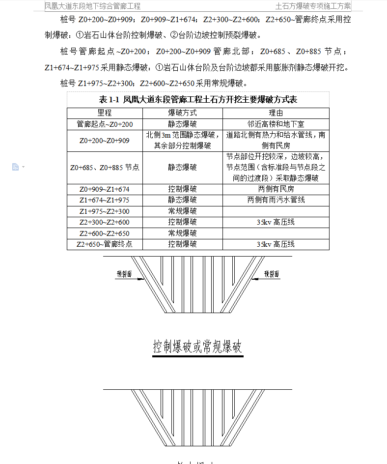
本工程位于XX省六盘水市,根据《六盘水市地下综合管廊试点城市实施方案(2015-2017年)》,六盘水市地下综合管廊试点选择在城市新区、城市主干道或景观道路、重要商务商业区、旧城改造等区域,最终确定综合管廊项目有老城区的人民路、荷泉南路、红桥路、水西南路、钟山路(西段和东段)、西山路、凉都大道、官厅路、龙井路、凤凰大道和大河经济开发区的育德路、天湖路、天湖西路等 14 条路的地下综合管廊建设项目,综合管廊平面线形与所在道路平面线形一致,最终实现供水、电力、通信、广电、再生水、热力、燃气、雨水、污水管线入廊。该工程为六盘水地下综合管廊PPP项目凤凰大道土石方开挖工程,工程位于贵州省六盘水市钟山区,由于其中公路岩石较硬,不利于机械开挖施工,经研究决定采用爆破开挖方式,因距离被保护物较近,穿过高压电线、民房、地下热力管时,拟采用静态爆破方式开挖。我公司承担六盘水地下综合管廊PPP项目凤凰大道土石方开挖工程的专项爆破设计及施工。经现场勘察,施工区域整体呈东西走向,工程位于凤凰大道东段。施工区域经现场勘察,在西侧桩号Z0+620段处,西面18米处有在建学校,北面低洼处距离180米处有民居区,南段紧邻山体,山体有滑坡迹象,部分山石有松动情况;在桩号Z0+860段边坡上有民房。Z0+000~Z0+909段沿整条开挖管廊地下有城市热力管道通过,特此段定为较为复杂。东侧有北距离管廊17m的项目部工人生活区房,东北距离居民区170m,35kv高压线跨过管廊所在道路。
拟建管廊场地通过地段地势较高,部分地段地形相对较陡,主要为斜坡地段,地表岩溶洼地较发育,基岩为中风化泥灰岩、强风化破碎石灰岩和中风化较破碎石灰岩,地表水均通过岩溶裂隙、节理裂隙向地下渗透,拟建管廊通过地段地表无河流通过。
根据拟建管廊通过地段地形地貌及岩土分布情况进行分析,拟建道路通过地段在洪水期无被暂时淹没的可能。在暴雨季节,地表较低洼地段,地表水易集中对土体冲刷,应对地表较低洼地段进行清理,保证排洪畅通。







