首页
论文
毕业
图纸
知识
方案
全部
建筑
结构
水利
园林
建筑设计
结构设计
水利工程
给水排水
园林工程
暖通空调
环境保护
路桥工程
岩土工程
工程造价
CAD教程
注册考试
电气工程
路桥图纸
路桥论文
毕业设计
路桥施工
桥梁工程
道路工程
轨道工程
选线设计
路基路面
绿化工程
检修与维护
路桥软件
路桥规范
路桥书籍
路桥套图
您当前位置:
首页
»
路桥工程
»
路桥施工方案
城市道路主干道修复工程专项施工方案PDF 29P
资料等级:
授权方式:
资料共享
发布时间:
2022-04-20 09:10:45
资料类型:
RAR
资料大小:
2.17 MB
资料分类:
路桥工程
运行环境:
WinXp,Win2003,WinVista,Win ;
解压密码:
civilcn.com
软件介绍
充值VIP
下载帮助
下载地址
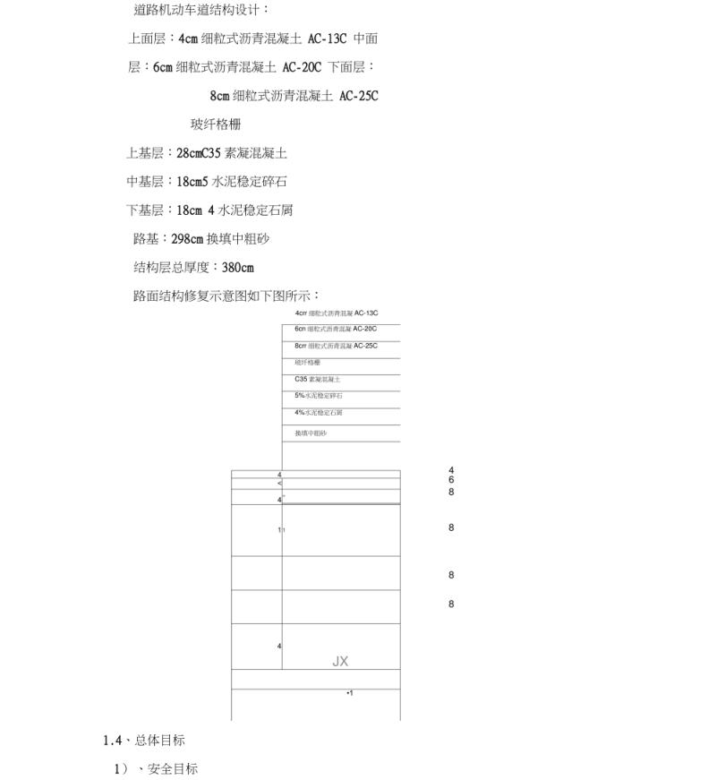
在本工程中5#、6# .7#并体,以及4#到5#开挖段施工场地位于xx新干线上,需要对原有的路面进行破除,管道施工完后需要对路面进行恢复,需要恢复路线长约110m面积约440 m2。换填的级配砂石在夯实碾压前,应根据其干湿程度和气候条件,适当地洒水保持砂石的最佳含水量,一般为8%-12%.
软件截图
下载地址
充值VIP
下载帮助
立即下载
土木工程网提醒您:本资料下载权限为
(普通会员)
点击进入下载城市道路主干道修复工程专项施工方案PDF 29P
(需要2积分)
推荐下载
图纸
462.871米双向两车道城市支路全套施工图纸(
施工
高速公路改扩建二期特大桥钢桁梁运输与安装
毕业
软岩隧道设计与施工毕业设计PDF 84P
套图
2018新版桥梁空心板通用图
软件
桥梁博士操作教程
CAD
AutoCAD 2022简体中文版
相关下载
评论
网友评论仅供网友表达个人看法,并不表明土木工程网同意其观点或证实其描述!
验证码:
热门标签
路桥工程
桥梁工程
道路工程
轨道工程
路桥施工方案
路桥套图
路桥图纸
毕业设计
路桥图库
隧道工程
路桥下载
桥梁工程
桥梁施工标准化指南
道路工程
市政工程资料培训 88P
轨道工程
承台、墩身施工标准化 72P
选线设计
道路平面设计(选线及线形设计) 75P
路基路面
过水路面设计图
绿化工程
道路绿化工程施工方案 23P
路桥施工
市政道路施工组织设计
隧道工程
一级公路新建工程隧道爆破施工安全专项施工方案
高速公路安全生产综合应急救援预案 90P
桥梁工程质量事故案例及教训 122P
高速公路下穿高铁施工方案(含图纸)
高速公路高墩专项施工方案(含图纸)
热点论文
工程知识
建筑论文
房屋建筑和市政基础设施工程施工现场新冠肺炎疫情
结构论文
装配式建筑从生产到施工,图文解析!
水利论文
如何高效节水灌溉
园林论文
史上最全景观植物配置表,建议收藏!
路桥论文
最新99份道路、桥梁、轨道、隧道施工组织设计汇总
电气论文
最新50份水电安装工程施工方案、施工组织设计整理
造价论文
7月1日后,工程造价咨询资质在全国范围内正式取消
CAD教程
全网最全CAD新手汇总:全系列软件、安装教程、使
施工知识
施工现场安全如何做到标准化
建筑知识
5D技术在建筑工程造价管理中的应用
造价知识
讲解66个与工程价款纠纷有关的问题
结构知识
浮重度、有效重度的区别是什么呢?
电气知识
电缆桥架安装要求、支吊架安装要求及线管安装要求
安全文明
十条建筑工地疫情防控要点
市政知识
道路常见试验检测方法
合同知识
工程劳务分包合同最新模板
互动交流
微信扫码关注公众号
获取更多土木资讯