您当前位置:首页 » 路桥工程 » 路桥施工方案
高速连接线改造互通立交工程现浇箱梁满堂支架施工方案 22P
  • 资料等级:
  • 授权方式:资料共享
  • 发布时间:2022-05-27
  • 资料类型:RAR
  • 资料大小:522 KB
  • 资料分类:路桥工程
  • 运行环境:WinXp,Win2003,WinVista,Win ;
  • 解压密码:civilcn.com
高速连接线改造互通立交工程现浇箱梁满堂支架施工方案 22P
K0+218.333跨线桥:采用(20+31+31+20)=102m四跨一联预应力混凝土连续箱梁,断面按上、下行两幅分离式独立桥梁布置。横桥向为单箱单室箱梁截面,单幅 箱梁顶板宽10m,箱梁底板宽4.4m,翼缘板宽度2.15m。箱梁高1.8m, 顶板厚25cm,底板厚20cm,腹板厚50cm,腹板支点加厚至65cm,梁端锚固区加厚至80cm。箱梁采用纵向预应力体系,真空压浆工艺。桥墩采用花瓶式丫型墩,断面为矩形,四角采用花瓣型倒角,前后立面均进行凹面处理。桥墩顺桥向厚1.7m,横桥向宽由根部的2m逐渐变宽至顶部的4m。桥墩采用单排桩基础,每墩承台下面设两根直径1.5m的桩,承台为矩形,平面尺寸为5.5m×2.7m(横桥向×纵桥向),承台高1.5m。每桥台承台下面设4根直径1.0m桩,每桥台承台有2个,并排间距为2m,每个承台平面尺寸为2.0m×4.5m(横桥向×纵桥向),承台高1.5m,靠桥内侧上方有一个0.6m×0.9m的倒角。基桩均按嵌岩桩设计。
软件截图
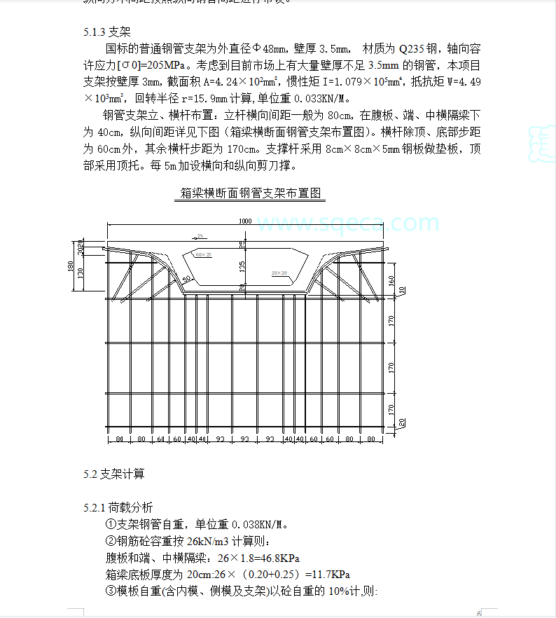
  • 高速连接线改造互通立交工程现浇箱梁满堂支架施工方案 22P
  • 高速连接线改造互通立交工程现浇箱梁满堂支架施工方案 22P
  • 高速连接线改造互通立交工程现浇箱梁满堂支架施工方案 22P