首页
论文
毕业
图纸
知识
方案
全部
建筑
结构
水利
园林
建筑设计
结构设计
水利工程
给水排水
园林工程
暖通空调
环境保护
路桥工程
岩土工程
工程造价
CAD教程
注册考试
电气工程
路桥图纸
路桥论文
毕业设计
路桥施工
桥梁工程
道路工程
轨道工程
选线设计
路基路面
绿化工程
检修与维护
路桥软件
路桥规范
路桥书籍
路桥套图
其它图纸
旅游道路工程挡土墙施工图纸
旅游道路工程挡土墙施工图纸包括挡土墙平面布置图、断面图,具体做法、工程数量表等详细做法……
阅读全文>
土木网友
2020-08-11
公路工程排水涵洞施工图纸
公路工程排水涵洞施工图纸包括涵洞平面布置图、断面图,具体做法、工程数量表等详细做法、八字墙设计施工图、方案图……
阅读全文>
土木网友
2020-08-11
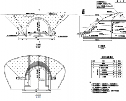
隧道工程内部结构施工图纸
设计范围本说明适用于xxx隧道(含隧道主体结构、雨水泵房、废水泵房、变电所、车行横通道、人行横通道、风机壁龛风机用房等)。……
阅读全文>
土木网友
2020-08-09
110KV电缆隧道工程施工图纸(含地勘及招标文件)
隧道全长约2500 m,其中明挖段长约590m,断面为2.4m*2.2m;暗挖段长约1650m,断面为2.4m*3m;暗挖顶管长约260m,直径为2.2m。……
阅读全文>
土木网友
2020-08-07
220kV变电站进线缆隧道工程施工图纸(含工程量清单、招标文件)
220kV变电站进线电缆隧道工程起点接鱼复架空线终端塔,终点接入拟建的220kV龙兴南变电站,总长约1900m,其中暗挖段约900m,为隧道(内空尺寸3.8m宽*3m高);……
阅读全文>
土木网友
2020-08-07
80kmh双向四车道高速公路隧道施工图纸(PDF格式)
隧道轴线是根据隧址区工程地质与水文地质条件、两端接线及工程造价等因素并对初设阶段隧道轴线方案进行了局部优化后最终确定的;隧道平面为双向四车道分离式隧道……
阅读全文>
土木网友
2020-08-07
隧道排水工程及用电照明施工图纸
项目全长约2.1km,包括重钢路基段和接线隧道两部分,其中路基段长约1.1km,隧道段长约1.0km,按照城市主干路50km/h的标准设计,为双向6车道。……
阅读全文>
土木网友
2020-08-06
高速公路隧道加强照明施工图纸(PDF格式)
本次改造涉及隧道共有路段:xx路、xx路、xx路、xx路和xx路。,所有隧道均按照80km/h 进行设计和运行,隧道内采用沥青路面,加强照明采用高压钠灯,基本照明(应急照明)采用LED 灯。……
阅读全文>
土木网友
2020-08-06
穿山隧道工程下穿道结构施工图纸
管节之间采用F型接口,外嵌环状遇水膨胀橡胶圈止水,顶管端面与管轴中心线垂直度不大于1.5mm,端面不平整度允许偏差小于1.0mm。……
阅读全文>
土木网友
2020-08-06
穿山隧道结构工程挡墙、地通道施工图纸 第二部分
穿山隧道结构工程挡墙、地通道施工图纸包括结构总平面布置、还建通道平面布置图、还建通道一般构造图、通道地质断面图、还建通道暗梁暗柱钢筋构造图、还建通道钢筋构造图……
阅读全文>
土木网友
2020-08-05
穿山隧道结构工程挡墙、地通道施工图纸 第一部分
该地通道全长90.0m,为双孔车行地通道,单孔净宽5.0m,路幅组成为0.25m(路缘带)+4.5m(车行道)+0.25m(路缘带)+0.5m(中墙)+0.25m(路缘带)+4.5m(车行道)+0.25m(路缘带),……
阅读全文>
土木网友
2020-08-05
穿山隧道结构工程高边坡施工图纸
穿山隧道结构工程高边坡施工图纸包括立交高边坡横断面、立交高边坡平面布置、立交高边坡立面布置、立交高边坡横断面、花格护坡大样图、锚柘桓格梁支护构造、锚杆挡墙一般构造及钢筋构造……
阅读全文>
土木网友
2020-08-05
某穿山隧道工程燃气通道施工图纸
某穿山隧道工程燃气通道施工图纸包括燃气通道平面布置图、燃气通道纵断面图、燃气通道平面布置图、燃气通道立面布置图、燃气通道地质横断面、燃气通道一般构造及普通钢筋……
阅读全文>
土木网友
2020-08-05
某穿山隧道工程综合管网施工图纸
由于主线两侧大部分10kv架空电线平面位置或高程与主线冲突,设计考虑将现状冲突的架空管线下地处理,设置K9电力排管横穿主线,在设计范围内两端上杆与现状架空线接顺,具体改造位置详见平面图。……
阅读全文>
土木网友
2020-08-05
某穿山隧道排水给水工程及路段照明工程施工图纸 第二部分
xxx大道下穿道内双侧布置0.4mx0.5m排水沟,以收集下穿道汇水面积内的雨水,在下穿道最低点汇集后通过沿主线设置的d800雨水管道排入金凤河。……
阅读全文>
土木网友
2020-08-05
某穿山隧道排水给水工程及路段照明工程施工图纸 第一部分
城市主干路、设计车速60km/h,双向八车道,标准路幅宽42.5m,路幅分配为8m人行道+14.75m车行道+1m中分带+14.75m车行道+8m人行道=42.5m。……
阅读全文>
土木网友
2020-08-05
高速公路隧道提质升级工程施工图纸(含报标文件、工程量清单)
本次调查主要包括对xx高速(x段x)、x高速公路(x仁赤段)、xx高速(务正段)88 座隧道交通标志、标线、轮廓标、洞口护栏、视线诱导设施和其他设施的调查。并收集调查范围内的相关竣工图纸和养护维修档案等资料。……
阅读全文>
土木网友
2020-08-04
隧道改扩建工程施工图纸(含招标)PDF格式 第二部分
新建xxx一级公路标准建设,设计速度60公里/小时;新建半幅分离式路基宽度 9.75 米,单向双车道,路面采用沥青混凝土结构,新建xxx隧道建筑界限9.75(净宽)米×5米(净高)……
阅读全文>
土木网友
2020-08-04
隧道改扩建工程施工图纸(含招标)PDF格式 第一部分
新建xxx一级公路标准建设,设计速度60公里/小时;新建半幅分离式路基宽度 9.75 米,单向双车道,路面采用沥青混凝土结构,新建天马山隧道建筑界限9.75(净宽)米×5米(净高),桥涵设计汽车荷载等级采用公路—I级……
阅读全文>
土木网友
2020-08-04
高速公路隧道入口左侧护栏增设工程施工图纸(招标文件)PDF格式
高速公路隧道入口左侧护栏增设工程施工图纸包括隧道入口左侧护栏连接过渡设计图、隧道入口左侧护栏连接过渡设计图、混凝土护栏结构图、路侧波形梁护栏一般布置图、二波护栏与三波护栏相接图等……
阅读全文>
土木网友
2020-08-04
首页
上一页
2
3
4
5
6
下一页
尾页
栏目导航
路桥工程
桥梁工程
道路工程
轨道工程
路桥施工方案
路桥套图
路桥图纸
毕业设计
路桥图库
隧道工程
路桥下载
桥梁工程
市政路桥工程施工表格填写范例样本
道路工程
沥青混凝土面层施工作业指导书 11P
轨道工程
井点降水施工作业指导书 12P
选线设计
城镇道路平面线形设计课件
路基路面
水泥稳定碎石混合料的设计与选材 43P
绿化工程
城市道路绿化及景观布置设计 57P
路桥施工
高速公路改扩建二期特大桥钢桁梁运输与安装
隧道工程
公路、桥梁、隧道工程施工监理 321P
地铁站主体结构毕业设计(含开题报告、任务
5×30m预应力混凝土简支箱型梁桥毕业设计(
中小跨度装配式预应力混凝土简支T梁毕业设计
地铁隧道盾构法施工毕业设计
热点论文
工程知识
建筑论文
50条施工图纸最容易出错的细节,请仔细检查!
结构论文
施工、监理结构图纸会审知识总结,学会终生受用!
水利论文
防洪防汛的必备知识大汇总
园林论文
园林绿化中造景理念创新思维分析
路桥论文
海底隧道怎么施工?有哪些施工技术要点?
电气论文
电气工程中电气自动化实践研究
造价论文
16个关键点教你在造价阶段做好施工合同审查
CAD教程
CAD怎么设置文字间距与行距
施工知识
外架、支模架安全施工
建筑知识
建筑消防设计:审查难点解析
造价知识
工程人应该知道这些,都是干货
结构知识
关于《混凝土结构通用规范》应用执行中的12个问答
电气知识
电气专业:消防设计审查验收
安全文明
《建设工程质量鉴定实务问题漫谈》41项问答整理
市政知识
桥涵设计基础知识
合同知识
工程合同管理索赔合理性认定知识点
互动交流
微信扫码关注公众号
获取更多土木资讯