首页
论文
毕业
图纸
知识
方案
全部
建筑
结构
水利
园林
建筑设计
结构设计
水利工程
给水排水
园林工程
暖通空调
环境保护
路桥工程
岩土工程
工程造价
CAD教程
注册考试
电气工程
给排水论文
给排水图纸
给排水施工
毕业设计
验收资料
给排水表格
实习报告
给排水总结
给排水课件
给排水软件
给排水规范
书籍
图集
给水排水知识
您当前位置:
首页
»
暖通空调
»
暖通常用表格
设备工程师必备:参数、计算表
资料等级:
授权方式:
资料共享
发布时间:
2020-12-03 01:06:48
资料类型:
RAR
资料大小:
54 KB
资料分类:
暖通空调
运行环境:
WinXp,Win2003,WinVista,Win ;
解压密码:
civilcn.com
软件介绍
充值VIP
下载帮助
下载地址
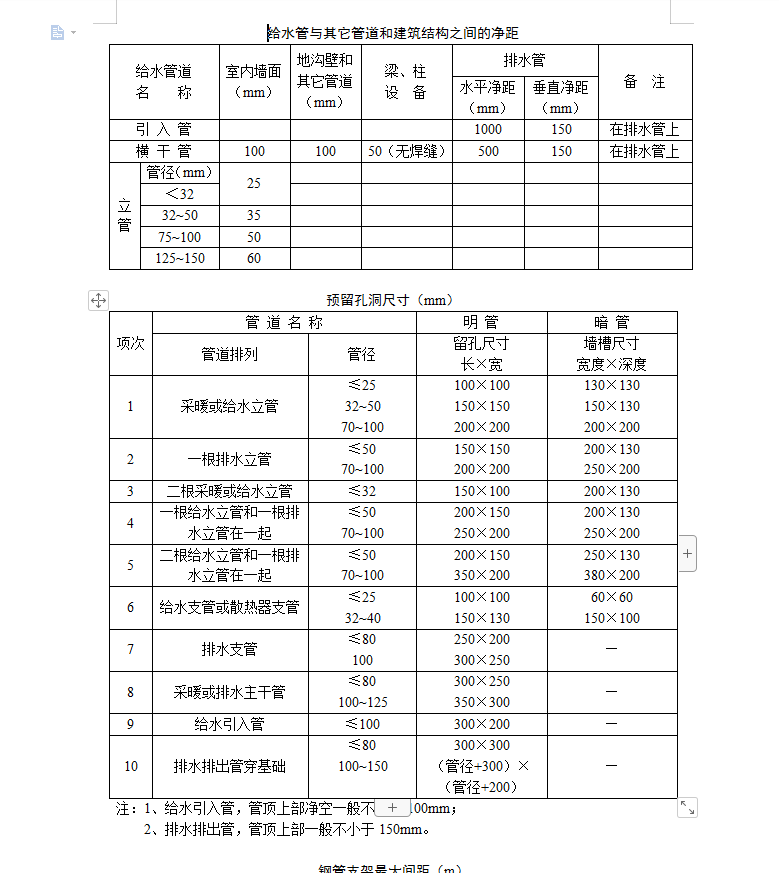
电工设计参数、给排水设计参数、供热工程设计参数、耗热量计算表、冷负荷计算表、室内消火栓设计参数、室外消防给水设计参数和自动喷水灭火系统设计参数共8个表格文件,设备工程师必备工具。
软件截图
下载地址
充值VIP
下载帮助
立即下载
土木工程网提醒您:本资料下载权限为
(普通会员)
点击进入下载设备工程师必备:参数、计算表
(需要0积分)
推荐下载
图纸
厂房室外给排水管综施工图纸(含建筑结构水
施工
市政道路、排水工程施工方案 76P
毕业
城镇污水处理厂毕业设计(论文、计算、图纸
课件
排水管渠水力计算 53P
表格
市政道路排水管道报验资料表格
CAD
AutoCAD 2022简体中文版
相关下载
抗拔桩裂缝及强度验算计算表格
Excel钢筋工程量自动计算表格
荷载与结构静力计算表 60P
某会所全套工程量自动计算表格合集(Excel)
m法桩基础自动计算表格(Excel)
钢筋混凝土圆管涵水力计算表
钢筋混凝土盖板涵水力计算表
土层沉降计算表格
评论
网友评论仅供网友表达个人看法,并不表明土木工程网同意其观点或证实其描述!
验证码:
热门标签
给排水设计
给排水论文
给排水图纸
给排水施工
毕业设计
验收资料
给排水表格
实习报告
给排水总结
给排水课件
给排水下载
排水软件
T20天正给排水V6.0正式版
排水施工
中央公园商业区雨污水外网、消防外网、给水二次网
毕业设计
城镇污水处理厂毕业设计(论文、计算、图纸)
排水图纸
消防工程常用CAD图例
排水表格
广东省市政基础设施工程竣工验收技术资料统一用表
排水总结
室外给排水管网的施工顺序及控制要点 5P
排水课件
四川省各市暴雨强度公式汇总(2021年最新版)
十六层综合楼给排水本科毕业设计书 87P
五层住宅楼给排水安装工程施工图预算
生猪养殖场废水处理工程毕业设计
污水处理厂毕业设计(带计算书)
热点论文
工程知识
建筑论文
3月1日起执行:住建部制定新版《工程保函示范文本
结构论文
装配式建筑从生产到施工,图文解析!
水利论文
如何高效节水灌溉
园林论文
史上最全景观植物配置表,建议收藏!
路桥论文
最新99份道路、桥梁、轨道、隧道施工组织设计汇总
电气论文
最新50份水电安装工程施工方案、施工组织设计整理
造价论文
7月1日后,工程造价咨询资质在全国范围内正式取消
CAD教程
AutoCAD2022简体中文版安装教程
施工知识
施工进度计划编制的9个问题
建筑知识
机场场道工程专业承包企业资质等级标准
造价知识
CQZF、CQBF、CQCF、CQTF是什么文件以及新点招标文
结构知识
浮重度、有效重度的区别是什么呢?
电气知识
8个你一定要知道的配电箱的要点
安全文明
十条建筑工地疫情防控要点
市政知识
道路常见试验检测方法
合同知识
工程劳务分包合同最新模板
互动交流
微信扫码关注公众号
获取更多土木资讯