首页
论文
毕业
图纸
知识
方案
全部
建筑
结构
水利
园林
建筑设计
结构设计
水利工程
给水排水
园林工程
暖通空调
环境保护
路桥工程
岩土工程
工程造价
CAD教程
注册考试
电气工程
暖通论文
暖通图纸
暖通软件
暖通施工
施工交底
工艺工法
毕业设计
实习报告
工作总结
常用表格
暖通规范
暖通书籍
暖通课件
暖通图集
暖通空调知识
您当前位置:
首页
»
暖通空调
»
暖通工艺工法
石油化工工艺管道安装施工方案 20P
资料等级:
授权方式:
资料共享
发布时间:
2021-11-11 16:46:34
资料类型:
RAR
资料大小:
264 KB
资料分类:
暖通空调
运行环境:
WinXp,Win2003,WinVista,Win ;
解压密码:
civilcn.com
软件介绍
充值VIP
下载帮助
下载地址
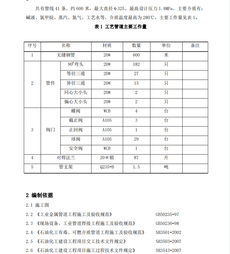
20#钢组成件及管道支撑件的材质、规格、型号、质量应符合设计文件的规定,并应按国家现行标准逐个进行外观检验,不合格者不得使用; 20#钢组成件及管道支撑件,经检查合格后,进行合格品标识,并与待检及检验不合格品进行隔离,妥善保管;
软件截图
下载地址
充值VIP
下载帮助
立即下载
土木工程网提醒您:本资料下载权限为
(普通会员)
点击进入下载石油化工工艺管道安装施工方案 20P
(需要2积分)
推荐下载
图纸
产业孵化园通风防排烟设计图纸(含招标文件
施工
某中心发热电缆地板采暖工程施工组织设计 1
毕业
十六层框架结构住宅楼室内采暖系统设计 45P
课件
重点解读《通风与空调工程施工质量验收规范
表格
空调与通风施工质量资料 219P
CAD
AutoCAD 2022简体中文版
相关下载
某市城东污水处理厂三期厂区设备及工艺管道安装工
某公司电解铝烟气净化及工艺管道安装工程施工组织
石油化工废水处理工艺培训课件
污水处理厂设备及工艺管道安装施工组织附施工布置
10万吨/年环己酮项目工艺管道安装监理规划
生物制剂工程工艺管道安装监理实施细则
工艺管道安装监理实施细则
焦化装置工艺管道安装监理细则
评论
网友评论仅供网友表达个人看法,并不表明土木工程网同意其观点或证实其描述!
验证码:
热门标签
暖通设计
暖通图纸
暖通空调知识
暖通施工
施工交底
工艺工法
暖通毕业设计
实习报告
工作总结
常用表格
暖通下载
暖通图纸
办公楼中央空调设计图纸
暖通施工
某办公楼空调工程施工组织设计 28P
毕业设计
暖通空调毕业设计计算书
暖通课件
暖通空调图例与符号大全
工艺工法
变频多联机空调设计图纸
常用表格
暖通设计参数
实习报告
中央空调实习总结报告
工作总结
暖通专业工作总结
某政府办公大楼空调系统毕业设计
十一层酒店空调工程毕业设计
某办公楼中央空调系统设计(含图纸) 76P
某综合写字楼暖通空调毕业设计 73P
热点论文
工程知识
建筑论文
3月1日起执行:住建部制定新版《工程保函示范文本
结构论文
装配式建筑从生产到施工,图文解析!
水利论文
如何高效节水灌溉
园林论文
史上最全景观植物配置表,建议收藏!
路桥论文
最新99份道路、桥梁、轨道、隧道施工组织设计汇总
电气论文
最新50份水电安装工程施工方案、施工组织设计整理
造价论文
7月1日后,工程造价咨询资质在全国范围内正式取消
CAD教程
AutoCAD2022简体中文版安装教程
施工知识
施工进度计划编制的9个问题
建筑知识
机场场道工程专业承包企业资质等级标准
造价知识
CQZF、CQBF、CQCF、CQTF是什么文件以及新点招标文
结构知识
浮重度、有效重度的区别是什么呢?
电气知识
8个你一定要知道的配电箱的要点
安全文明
十条建筑工地疫情防控要点
市政知识
道路常见试验检测方法
合同知识
工程劳务分包合同最新模板
互动交流
微信扫码关注公众号
获取更多土木资讯