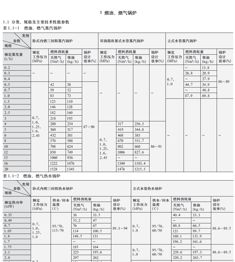
锅炉的主要燃料有:煤、燃气、油、电。煤价格最低,电价格最高。煤(低硫低灰优质煤)、燃气、油、电相同热值的价格比约为1 :2.6:3.7 :8.7
煤:用煤为燃料在经济上易被接受,但以煤为燃料在民用建筑设计范围使用时,存在两大问题,一是环保要求难以满足。其中涉及煤、渣储存和运输过程中的扬尘,以及煤燃烧产物-烟尘中SO2、NOx 的排放量为达到环保要求的控制手段,难度较大(如XX市地方标准规定,新建蒸发量≤20t/h (14MW)锅炉,烟尘中SO2. NOx污染物排放量控制值为0)。二是蒸汽锅炉技术监察规程和热水锅炉技术监察规程规定,锅炉房如设在建筑物包括地下、层中、顶层内,必须采用油、气为燃料,以煤为燃料只能布置在底层或贴建。《全国民用建筑工程设计技术措施》中指出,民用建筑应优先选用清洁燃料。因此,本产品选用技术条件”对燃煤锅炉及其辅机均不予列入。







