首页
论文
毕业
图纸
知识
方案
全部
建筑
结构
水利
园林
建筑设计
结构设计
水利工程
给水排水
园林工程
暖通空调
环境保护
路桥工程
岩土工程
工程造价
CAD教程
注册考试
电气工程
水利论文
水利图纸
施工组织
设计报告
毕业设计
水保方案
可研报告
初步报告
课件设计
除险加固
农饮安全
土地整理
水利软件
水利定额
水利规范
水利书籍
您当前位置:
首页
»
水利工程
»
水利工艺工法
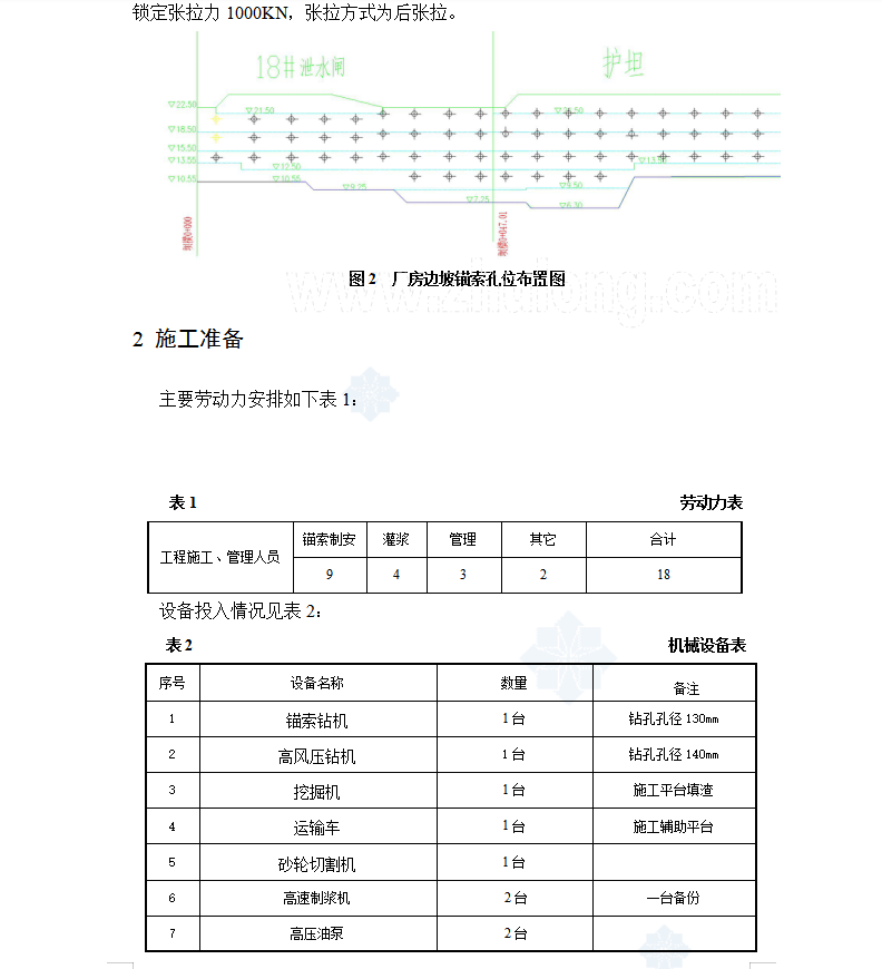
水利枢纽厂房边坡预应力锚索施工工艺 10p
资料等级:
授权方式:
资料共享
发布时间:
2022-05-30
资料类型:
RAR
资料大小:
967 KB
资料分类:
水利工程
运行环境:
WinXp,Win2003,WinVista,Win ;
解压密码:
civilcn.com
软件介绍
充值VIP
下载帮助
下载地址
本工程是一座以防洪、发电、航运为主,兼顾灌溉、供水等综合效益的水利枢纽工程。枢纽主要建筑物有砼泄水闸、砼挡水坝、河床式发电厂房、船闸、左右岸灌溉进水口鱼道等,属Ⅰ等工程。泄水闸位于右岸厂房与门库坝段之间,由18孔(单孔净宽16.0m)开敞式泄水闸组成,泄流前沿总宽度354.5m,堰顶高程为30.00m。
软件截图
下载地址
充值VIP
下载帮助
立即下载
土木工程网提醒您:本资料下载权限为
(普通会员)
点击进入下载水利枢纽厂房边坡预应力锚索施工工艺 10p
(需要1积分)
推荐下载
图纸
小型农田水利水源工程设计图纸
施工
河道治理工程施工方案 51P
毕业
农田水利学管道喷灌系统课程设计 17P
除险
综合港区海水淡化引水工程施工组织设计 335
农饮
某乡镇水厂设计图纸(含概算及设计方案)
CAD
AutoCAD 2022简体中文版
相关下载
水利水电施工导流与水流控制施工工艺技术 25P
堤防工程防护堤施工工艺 20P
高压旋喷注浆防渗墙施工工艺 15P
抽水蓄能电站上水库滑模施工工艺 8P
闸门及启闭机的安装施工工艺 25P
泵吸反循环钻孔灌注桩施工工艺 6P
引水有压隧洞衬砌施工工艺 9P
高碾压混凝土拱坝施工工艺 29P
评论
网友评论仅供网友表达个人看法,并不表明土木工程网同意其观点或证实其描述!
验证码:
热门标签
水利工程
水利图纸
初步设计报告
水利表格
可行性研究报告
施工交底
施工组织
工作总结
实习报告
水利工艺工法
水利下载
热门图纸
设计报告
小流域水土保持综合治理项目施工组织设计 71P
土地整理
某小型塘坝加固初设图
水利软件
桥涵水文计算程序
毕业设计
水利水电工程专业水电站毕业设计PDF 98P
实习报告
水利实习心得体会与水利实习报告总结汇编PDF 17P
工作总结
水利工程师年度总结 3P
施工交底
水利工程雨季施工专项方案
工艺工法
堤身防渗锥探灌浆施工工法 34P
电站厂房
某山区河流小型水电站尾水闸门设计图纸
大坝堤防
水库除险加固施工图纸
桥梁隧洞
小型农田水利桥涵工程设计图纸
引调水
小型农田水利水源工程设计图纸
节水灌排
节制闸设计详图
泵站闸门
小型农田水利水闸工程设计图纸
水利表格
水力学计算汇集
课件设计
水闸设计步骤 48P
水电站枢纽工程环境保护与水土保持施工方案
水厂迁建工程环境保护和水土保持施工方案
混凝土重力坝毕业设计
水利枢纽工程重力坝毕业设计
热点论文
工程知识
建筑论文
房屋建筑和市政基础设施工程施工现场新冠肺炎疫情
结构论文
装配式建筑从生产到施工,图文解析!
水利论文
如何高效节水灌溉
园林论文
史上最全景观植物配置表,建议收藏!
路桥论文
最新99份道路、桥梁、轨道、隧道施工组织设计汇总
电气论文
最新50份水电安装工程施工方案、施工组织设计整理
造价论文
7月1日后,工程造价咨询资质在全国范围内正式取消
CAD教程
全网最全CAD新手汇总:全系列软件、安装教程、使
施工知识
装配式建筑工程的有哪些重点难点呢?
建筑知识
最新工程结算审计收费标准
造价知识
工程造价公式及计算技巧整理
结构知识
浮重度、有效重度的区别是什么呢?
电气知识
电缆桥架安装要求、支吊架安装要求及线管安装要求
安全文明
十条建筑工地疫情防控要点
市政知识
道路施工规范具体细则及验收标准
合同知识
工程劳务分包合同最新模板
互动交流
微信扫码关注公众号
获取更多土木资讯