首页
论文
毕业
图纸
知识
方案
全部
建筑
结构
水利
园林
建筑设计
结构设计
水利工程
给水排水
园林工程
暖通空调
环境保护
路桥工程
岩土工程
工程造价
CAD教程
注册考试
电气工程
水利论文
水利图纸
施工组织
设计报告
毕业设计
水保方案
可研报告
初步报告
课件设计
除险加固
农饮安全
土地整理
水利软件
水利定额
水利规范
水利书籍
您当前位置:
首页
»
水利工程
»
除险加固
水库除险加固套井粘土回填工程施工方案PDF 8P
资料等级:
授权方式:
资料共享
发布时间:
2022-03-29
资料类型:
RAR
资料大小:
724 KB
资料分类:
水利工程
运行环境:
WinXp,Win2003,WinVista,Win ;
解压密码:
civilcn.com
软件介绍
充值VIP
下载帮助
下载地址
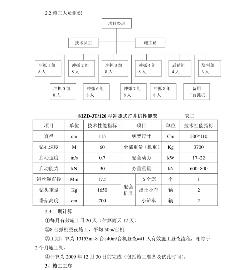
XXX水库属XXXXXXXX以西境内,坝体为粘土填筑心墙,坝基为含泥质砂砾、粘土层以下为强、中风化凝灰岩,水库建于60年代,库容量约500>万m。经多年运行,现由于渗漏需进行除险加固处理。1.2.1新粘土套井回填孔径120cm,孔距85cm,河床部位最大孔深30m,桩号为0+064.0-0+199.0段,左、右岸坝头孔深4~30m不等,悬挂式和接地式相结合布置。
软件截图
下载地址
充值VIP
下载帮助
立即下载
土木工程网提醒您:本资料下载权限为
(普通会员)
点击进入下载水库除险加固套井粘土回填工程施工方案PDF 8P
(需要0积分)
推荐下载
图纸
小型农田水利水源工程设计图纸
施工
河道治理工程施工方案 51P
毕业
农田水利学管道喷灌系统课程设计 17P
除险
综合港区海水淡化引水工程施工组织设计 335
农饮
某乡镇水厂设计图纸(含概算及设计方案)
CAD
AutoCAD 2022简体中文版
相关下载
综合性水库除险加固工程毕业设计PDF 70P
中型水库除险加固工程施工方案PDF 40P
病险水库除险加固工程施工组织设计PDF 67P
震损次高危小(二) 型水库除险加固工程施工方案
水库除险加固大坝深层搅拌桩防渗处理施工方案PDF
小(一)型旁引式水库除险加固工程初步设计报告
小(一)型水库除险加固工程施工管理工作总结报告
水库除险加固导流隧洞工程施工方案 13P
评论
网友评论仅供网友表达个人看法,并不表明土木工程网同意其观点或证实其描述!
验证码:
热门标签
水利工程
水利图纸
初步设计报告
水利表格
可行性研究报告
施工交底
施工组织
工作总结
实习报告
水利工艺工法
水利下载
热门图纸
设计报告
河道治理工程施工方案 51P
土地整理
水库除险加固工程初步设计报告 112P
水利软件
桥涵水文计算程序
毕业设计
水利水电工程专业水电站毕业设计PDF 98P
实习报告
水利枢纽工程实习报告PDF 15P
工作总结
水利工程师年度总结 3P
施工交底
水利工程雨季施工专项方案
工艺工法
堤身防渗锥探灌浆施工工法 34P
电站厂房
某山区河流小型水电站尾水闸门设计图纸
大坝堤防
水库除险加固施工图纸
桥梁隧洞
排水急流槽设计图
引调水
小型农田水利水源工程设计图纸
节水灌排
河道生态综合治理一期工程施工图纸
泵站闸门
污水泵站施工图纸
水利表格
水力学计算汇集
课件设计
水闸设计步骤 48P
水电站枢纽工程环境保护与水土保持施工方案
水厂迁建工程环境保护和水土保持施工方案
混凝土重力坝毕业设计
水利枢纽工程重力坝毕业设计
热点论文
工程知识
建筑论文
房屋建筑和市政基础设施工程施工现场新冠肺炎疫情
结构论文
装配式建筑从生产到施工,图文解析!
水利论文
如何高效节水灌溉
园林论文
史上最全景观植物配置表,建议收藏!
路桥论文
最新99份道路、桥梁、轨道、隧道施工组织设计汇总
电气论文
最新50份水电安装工程施工方案、施工组织设计整理
造价论文
7月1日后,工程造价咨询资质在全国范围内正式取消
CAD教程
AutoCAD2022简体中文版安装教程
施工知识
施工现场安全如何做到标准化
建筑知识
机场场道工程专业承包企业资质等级标准
造价知识
什么是檐高?檐高如何确定?
结构知识
浮重度、有效重度的区别是什么呢?
电气知识
8个你一定要知道的配电箱的要点
安全文明
十条建筑工地疫情防控要点
市政知识
道路常见试验检测方法
合同知识
工程劳务分包合同最新模板
互动交流
微信扫码关注公众号
获取更多土木资讯