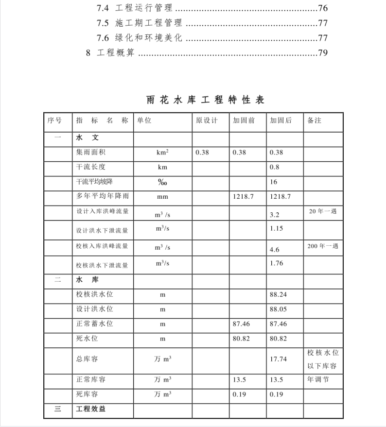
水库枢纽由大坝、溢洪道、输水涵洞等建筑物组成,大坝为均质土坝,坝顶高程88.62m(防浪墙顶高程89. 12m),最大坝高10.22m, 坝顶轴线长60 m,坝顶宽3.0 m。溢洪道位于大坝左侧与山体交界处,,进口为喇叭口,无闸控制的宽顶堰,堰顶宽1.5m,溢洪道进口底板高程87.46m。输水涵洞为浆砌石圬工箱涵,断面净尺寸为B*H=0.3*0.35 (m),涵洞出口高程为79.53m,长度为48m,纵坡比为1/166, 采用卧管放水。




RAR