首页
论文
毕业
图纸
知识
方案
全部
建筑
结构
水利
园林
建筑设计
结构设计
水利工程
给水排水
园林工程
暖通空调
环境保护
路桥工程
岩土工程
工程造价
CAD教程
注册考试
电气工程
水利论文
水利图纸
施工组织
设计报告
毕业设计
水保方案
可研报告
初步报告
课件设计
除险加固
农饮安全
土地整理
水利软件
水利定额
水利规范
水利书籍
您当前位置:
首页
»
水利工程
»
设计报告
»
施工组织
渠灌区续建配套与节水改造工程T梁预制施工方案 31P
资料等级:
授权方式:
资料共享
发布时间:
2022-01-04
资料类型:
RAR
资料大小:
6.52 MB
资料分类:
设计报告
运行环境:
WinXp,Win2003,WinVista,Win ;
解压密码:
civilcn.com
软件介绍
充值VIP
下载帮助
下载地址
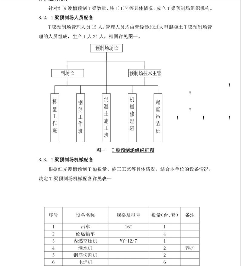
本渡槽工程共有30m预应力C50砼T梁15片,采用预制后简支安装的施工方法。T梁在预制场集中进行预制,共建造15 条预制台座,配备1套钢模板。C50混凝土浇筑496m3,模板制安3696m2,钢筋制安185t,预应力 钢绞线45束(单束2000kN/3000KN, 30.7m长)。
软件截图
下载地址
充值VIP
下载帮助
立即下载
土木工程网提醒您:本资料下载权限为
(普通会员)
点击进入下载渠灌区续建配套与节水改造工程T梁预制施工方案 31P
(需要2积分)
推荐下载
图纸
某中型水库工程溢洪道施工图纸
施工
某河河道综合治理工程围堰施工组织设计 47P
毕业
农田水利学管道喷灌系统课程设计 17P
除险
综合港区海水淡化引水工程施工组织设计 335
农饮
某乡镇水厂设计图纸(含概算及设计方案)
CAD
AutoCAD 2022简体中文版
相关下载
灌区续建配套与节水改造工程监理月报PDF 10P
中型灌区续建配套与节水改造工程项目可行性研究报
运河灌区续建配套与节水改造工程环境影响报告书
灌区续建配套与节水改造工程实施性施工组织设计
灌区续建配套与节水改造工程总体可行性研究报告
续建配套与节水改造工程调研报告 13P
灌区续建配套与节水改造工程建设监理工作报告 10
灌区续建配套与节水改造工程干渠工程施工组织设计
评论
网友评论仅供网友表达个人看法,并不表明土木工程网同意其观点或证实其描述!
验证码:
热门标签
水利工程
水利图纸
初步设计报告
水利表格
可行性研究报告
施工交底
施工组织
工作总结
实习报告
水利工艺工法
水利下载
热门图纸
设计报告
住宅小区开发项目水土保持方案报告 107P
土地整理
水库除险加固工程初步设计图集(PDF格式)
水利软件
无压输水隧洞、渡槽和明渠常用断面水力计算软件
毕业设计
水利枢纽工程设计堆石坝方案毕业设计(PDF格式)
实习报告
水利枢纽工程实习报告PDF 15P
工作总结
水利工程师年度总结 3P
施工交底
河道施工交底
工艺工法
堤身防渗锥探灌浆施工工法 34P
电站厂房
水库单层管理房施工图纸
大坝堤防
水库除险加固施工图纸
桥梁隧洞
排水急流槽设计图
引调水
排水渠结构设计详图
节水灌排
小型农田水利工程配套建筑物设计图册
泵站闸门
某小型提灌站设计图纸
水利表格
水力学计算汇集
课件设计
水闸设计步骤 48P
水电站枢纽工程环境保护与水土保持施工方案
水厂迁建工程环境保护和水土保持施工方案
混凝土重力坝毕业设计
水利枢纽工程重力坝毕业设计
热点论文
工程知识
建筑论文
3月1日起执行:住建部制定新版《工程保函示范文本
结构论文
装配式建筑从生产到施工,图文解析!
水利论文
如何高效节水灌溉
园林论文
史上最全景观植物配置表,建议收藏!
路桥论文
最新99份道路、桥梁、轨道、隧道施工组织设计汇总
电气论文
最新50份水电安装工程施工方案、施工组织设计整理
造价论文
7月1日后,工程造价咨询资质在全国范围内正式取消
CAD教程
AutoCAD2022简体中文版安装教程
施工知识
施工进度计划编制的9个问题
建筑知识
机场场道工程专业承包企业资质等级标准
造价知识
CQZF、CQBF、CQCF、CQTF是什么文件以及新点招标文
结构知识
浮重度、有效重度的区别是什么呢?
电气知识
8个你一定要知道的配电箱的要点
安全文明
十条建筑工地疫情防控要点
市政知识
道路常见试验检测方法
合同知识
工程劳务分包合同最新模板
互动交流
微信扫码关注公众号
获取更多土木资讯