СÐÍË®Àû¹¤³Ì¸ÄÔìÌáÉýÏîĿʩ¹¤Í¼Ö½
  • ×ÊÁϵȼ¶£º
  • ÊÚȨ·½Ê½£º×ÊÁϹ²Ïí
  • ·¢²¼Ê±¼ä£º2022-05-30
  • ×ÊÁÏÀàÐÍ£ºRAR
  • ×ÊÁÏ´óС£º94.5 MB
  • ×ÊÁÏ·ÖÀࣺˮÀûͼֽ
  • ÔËÐл·¾³£ºWinXp,Win2003,WinVista,Win ;
  • ½âѹÃÜÂ룺civilcn.com
СÐÍË®Àû¹¤³Ì¸ÄÔìÌáÉýÏîĿʩ¹¤Í¼Ö½
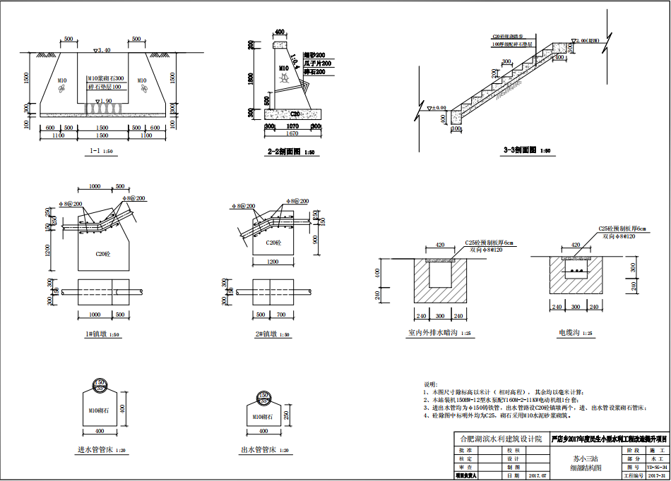
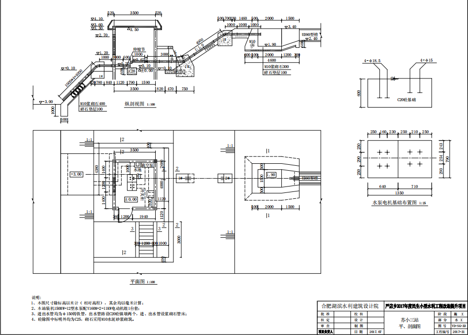
СÐÍË®Àû¹¤³Ì¸ÄÔìÌáÉýÏîĿʩ¹¤Í¼Ö½°üÀ¨£º¹¤³Ì×ÜÌå²¼ÖÃͼ¡¢ÇþµÀÌÝÐÎ³ÄÆöÉè¼ÆÍ¼¡¢ÇþµÀíÅUÐͲÛÓ²»¯Éè¼ÆÍ¼¡¢¦Õ0.6X 4.0m¹ý·¾Æ½á¹¹²¼Í¼¡¢·Åˮբƽ¡¢ÆÊÃæÍ¼¡¢·ÅˮբÅä½îͼ¡¢·ÅˮբάÐÞÆ½¡¢ÆÊÃæÍ¼¡¢·ÅˮբάÐÞÅä½îͼ¡¢µøË®Æ½¡¢ÆÊÃæÍ¼¡¢µøË®½á¹¹Åä½îͼ¡¢Ìï¼ä·ÅË®¿ÚÆÊÃæÍ¼¡¢ÌÁ°ÓÇåÓÙÕûÖεäÐÍÉè¼ÆÍ¼µÈ¡£
Èí¼þ½ØÍ¼
  • Ë®Àû¹¤³Ì,¸ÄÔìÌáÉýÏîÄ¿,Ë®ÀûÊ©¹¤Í¼Ö½
  • Ë®Àû¹¤³Ì,¸ÄÔìÌáÉýÏîÄ¿,Ë®ÀûÊ©¹¤Í¼Ö½
  • Ë®Àû¹¤³Ì,¸ÄÔìÌáÉýÏîÄ¿,Ë®ÀûÊ©¹¤Í¼Ö½