首页
论文
毕业
图纸
知识
方案
全部
建筑
结构
水利
园林
建筑设计
结构设计
水利工程
给水排水
园林工程
暖通空调
环境保护
路桥工程
岩土工程
工程造价
CAD教程
注册考试
电气工程
水利论文
水利图纸
施工组织
设计报告
毕业设计
水保方案
可研报告
初步报告
课件设计
除险加固
农饮安全
土地整理
水利软件
水利定额
水利规范
水利书籍
您当前位置:
首页
»
水利工程
»
水利图纸
»
电站厂房
蓄洪区农场水毁工程恢复项目施工图
资料等级:
授权方式:
资料共享
发布时间:
2022-10-24
资料类型:
RAR
资料大小:
3.04 MB
资料分类:
水利图纸
运行环境:
WinXp,Win2003,WinVista,Win ;
解压密码:
civilcn.com
软件介绍
充值VIP
下载帮助
下载地址
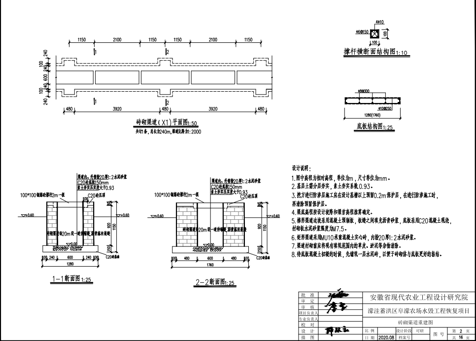
蓄洪区农场水毁工程恢复项目施工图包括:砖砌渠道重建图、矩形渠道重建图、梯形渠道维修典型设计图、矩形渠道修复图、条田沟及田埂断面图、下田涵图等。
软件截图
下载地址
充值VIP
下载帮助
立即下载
土木工程网提醒您:本资料下载权限为
(普通会员)
点击进入下载蓄洪区农场水毁工程恢复项目施工图
(需要4积分)
推荐下载
图纸
小型农田水利水源工程设计图纸
施工
河道生态环境保护工程输水隧洞施工组织设计
毕业
农田水利学管道喷灌系统课程设计 17P
除险
综合港区海水淡化引水工程施工组织设计 335
农饮
某乡镇水厂设计图纸(含概算及设计方案)
CAD
AutoCAD 2022简体中文版
相关下载
评论
网友评论仅供网友表达个人看法,并不表明土木工程网同意其观点或证实其描述!
验证码:
热门标签
水利工程
水利图纸
初步设计报告
水利表格
可行性研究报告
施工交底
施工组织
工作总结
实习报告
水利工艺工法
水利下载
热门图纸
设计报告
大坝浇筑施工技术方案
土地整理
水库及有坝山塘除险加固设计技术指引(试行)
毕业设计
水利水电工程专业水电站毕业设计PDF 98P
实习报告
水利实习心得体会与水利实习报告总结汇编PDF 17P
工作总结
水利工程师年度总结 3P
施工交底
河道生态治理工程监理交底
工艺工法
水利工程浆砌防洪墙施工工艺 19P
电站厂房
水库大坝枢纽工程施工图
大坝堤防
河道新建防洪护岸及清淤疏浚工程施工图纸
桥梁隧洞
小型农田水利桥涵工程设计图纸
引调水
小型农田水利水源工程设计图纸
节水灌排
小型农田水利低压管道输水灌溉工程设计图纸
泵站闸门
小型农田水利水闸工程设计图纸
水利表格
水利水电工程施工表格(850个)
课件设计
水行政主管部门质量监督工作履职情况巡查作业指导
水电站枢纽工程环境保护与水土保持施工方案
水厂迁建工程环境保护和水土保持施工方案
混凝土重力坝毕业设计
水利枢纽工程重力坝毕业设计
热点论文
工程知识
建筑论文
房建基础工程施工组织设计汇总
结构论文
脚手架工程技术培训及施工方案汇总
水利论文
水工建筑物:隧洞施工技术要点汇总
园林论文
园林跌水景观施工全攻略,附最新跌水设计图
路桥论文
市政工程质量控制及施工质量通病防治技术汇总
电气论文
不懂开关电源电路怎么办?
造价论文
预算书及监理员个人年终总结相关资料推荐
CAD教程
AutoCAD 2023版本功能介绍及安装教程
施工知识
建筑材料进场复试检测包括哪些项目?
建筑知识
建筑各类等级汇总
造价知识
新手如何简单快速的看懂工程图纸?
结构知识
带夹层(越层)结构设计的思考
电气知识
配电柜接线的注意事项和规范要求
安全文明
建筑施工工地消防安全措施
市政知识
什么是道路坡度?坡度的表示又是如何?
合同知识
建筑施工合同的审查要点!
互动交流
微信扫码关注公众号
获取更多土木资讯