Äúµ±Ç°Î»Ö㺠Ê×Ò³» ¹¤³ÌÔì¼Û» ¹¤³ÌʵÀý
µ¥²ãש»ì½á¹¹ÊµÏ°³µ¼äÊ©¹¤Í¼Ô¤Ëã±àÖÆÊµÀý 25P
  • ×ÊÁϵȼ¶£º
  • ÊÚȨ·½Ê½£º×ÊÁϹ²Ïí
  • ·¢²¼Ê±¼ä£º2021-12-21 09:27:41
  • ×ÊÁÏÀàÐÍ£ºRAR
  • ×ÊÁÏ´óС£º384 KB
  • ×ÊÁÏ·ÖÀࣺ¹¤³ÌÔì¼Û
  • ÔËÐл·¾³£ºWinXp,Win2003,WinVista,Win ;
  • ½âѹÃÜÂ룺civilcn.com
µ¥²ãש»ì½á¹¹ÊµÏ°³µ¼äÊ©¹¤Í¼Ô¤Ëã±àÖÆÊµÀý 25P
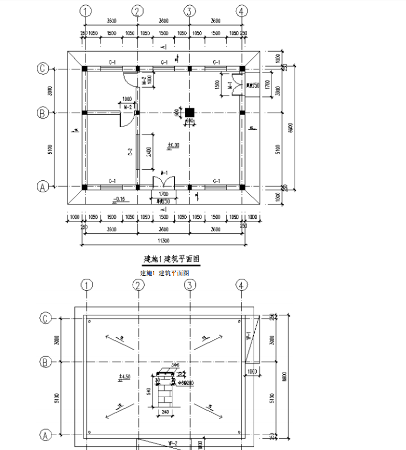
±¾ÀýΪһµ¥²ãש»ì½á¹¹ÊµÏ°³µ¼ä£¬½¨ÖþÃæ»ý97.18m2£¬ÊÒÄÚ±ê¸ß¡À0.00£¬ÊÒÄÚÍâ¸ß²î-0.15m¡£²ÉÓÃÌõÐÎש»ù´¡£¬M5Ë®Äàɰ½¬ÆöÖþ£»¶ÀÁ¢Öù»ù´¡ÎªC20¸Ö½î»ìÄýÍÁÏÖ½½£¬C10»ìÄýÍÁµæ²ã£»C20¸Ö½î»ìÄýÁº¡£ÄÚÍâǽ¾ù²ÉÓÃM5»ìºÏɰ½¬ÆöÖþ£»ÎÝÃæ°å¼°ÃÅ´°¹ýÁº²ÉÓÃÏÖ½½¹¹¼þ£¬ËùÓлìÄýÍÁÇ¿¶ÈµÈ¼¶¾ùΪC20£¬¹¹ÔìÖùÔÚµØÈ¦ÁºÉÏ£¬¶ÏÃæ³ß´ç¾ùΪ370¡Á370mm »ò240¡Á240mm£¬Åä½î4§¶12¡¢§æ6?200£¬°´ÒªÇóÔ¤ÁôÂíÑÀé¶²¢ÉèÀ­ÓëǽÌåÀ­½Ó¡£Í¼ÖЧæÎªÒ»¼¶Ô²¸Ö£¬§¶Îª¶þ¼¶ÂÝÎÆ¸Ö¡£ÊÜÁ¦¸Ö½îµÄ»ìÄýÍÁ±£»¤²ãºñ¶È£ºÖù¡¢È¦Áº¡¢¹ýÁºÎªm£¬°åΪ15mm¡£
Èí¼þ½ØÍ¼
  • µ¥²ãש»ì½á¹¹ÊµÏ°³µ¼äÊ©¹¤Í¼Ô¤Ëã±àÖÆÊµÀý 25P
  • µ¥²ãש»ì½á¹¹ÊµÏ°³µ¼äÊ©¹¤Í¼Ô¤Ëã±àÖÆÊµÀý 25P
  • µ¥²ãש»ì½á¹¹ÊµÏ°³µ¼äÊ©¹¤Í¼Ô¤Ëã±àÖÆÊµÀý 25P