Äúµ±Ç°Î»Ö㺠Ê×Ò³» ÍÁľװÐÞ» ×°ÐÞͼֽ
Èý²ãºÏÔº±ðÊûÑù°å·¿ÊÒÄÚ×°ÐÞÉè¼ÆÊ©¹¤Í¼
  • ×ÊÁϵȼ¶£º
  • ÊÚȨ·½Ê½£º×ÊÁϹ²Ïí
  • ·¢²¼Ê±¼ä£º2022-02-09 13:58:59
  • ×ÊÁÏÀàÐÍ£ºRAR
  • ×ÊÁÏ´óС£º51.6 MB
  • ×ÊÁÏ·ÖÀࣺÍÁľװÐÞ
  • ÔËÐл·¾³£ºWinXp,Win2003,WinVista,Win ;
  • ½âѹÃÜÂ룺civilcn.com
Èý²ãºÏÔº±ðÊûÑù°å·¿ÊÒÄÚ×°ÐÞÉè¼ÆÊ©¹¤Í¼
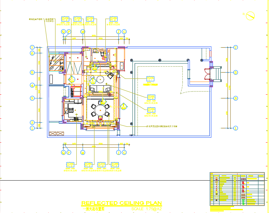
Èý²ãºÏÔº±ðÊûÑù°å·¿ÊÒÄÚ×°ÐÞÉè¼ÆÊ©¹¤Í¼°üÀ¨£ºÒ»²ãÆ½ÃæÍ¼¡¢Ò»²ã½¨Öþ×ÊÁÏÆ½ÃæÍ¼¡¢Ò»²ã¼äǽ³ß´çͼ¡¢Ò»²ãÆ½Ãæ²¼ÖÃͼ¡¢Ò»²ãÌ컨²¼ÖÃͼ¡¢Ò»²ãµÆ¾ß¶¨Î»Í¼¡¢Ò»²ã¿ª¹ØÁ¬Ïßͼ¡¢Ò»²ãµØ²ÄÊÎÃæÍ¼¡¢Ò»²ãµç²¼ÖÃͼ¡¢Ò»²ã¿Õµ÷¼°ÅÅÆøÉÈ·Ö²¼Ê¾Òâͼ¡¢Ò»²ã¸øÅÅË®¶¨Î»Í¼µÈ¡£
Èí¼þ½ØÍ¼
  • Èý²ãºÏÔº±ðÊûÑù°å·¿ÊÒÄÚ×°ÐÞÉè¼ÆÊ©¹¤Í¼
  • Èý²ãºÏÔº±ðÊûÑù°å·¿ÊÒÄÚ×°ÐÞÉè¼ÆÊ©¹¤Í¼
  • Èý²ãºÏÔº±ðÊûÑù°å·¿ÊÒÄÚ×°ÐÞÉè¼ÆÊ©¹¤Í¼