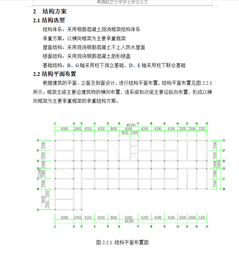
本工程为xxx办公楼设计,根据设计任务书,本建筑占地面积827m2,总建筑面积4135m2,地上五层,层高3.6m。采用现浇钢筋混凝土框架结构,整个设计包括建筑设计和结构设计两个部分。
建筑设计部分,根据建筑规范和使用功能等因素初步确定建筑布局,其中包括建筑体形,合理安排厕所、楼梯、办公室、会议室的位置等。再结合选用的材料、做法,进一步确定具体尺寸。
结构设计部分,根据建筑设计、各类规范要求、场地地质条件和材料供应情况等确定结构布置方案。选择有代表性的一榀框架进行计算,确定计算简图及计算单元。进一步进行荷载计算(包括楼面恒载、活载)、内力计算(风荷载采用D值法计算,竖向荷载作用采用弯矩二次分配法计算)、内力组合、梁和柱的配筋计算、楼梯设计、基础设计等内容 。由于本工程位于6度抗震设防区,属于丙类建筑,所以计算时不考虑抗震设计,但必须满足规范规定的构造要求。
在上述工作的基础上,采用天正、AutoCAD及PKPM等软件绘制出建筑施工图和结构施工图。







